- Partiron
- OEM Parts
- Kawasaki
- motorcycle
- 2014
- NINJA® ZX™-10R ABS
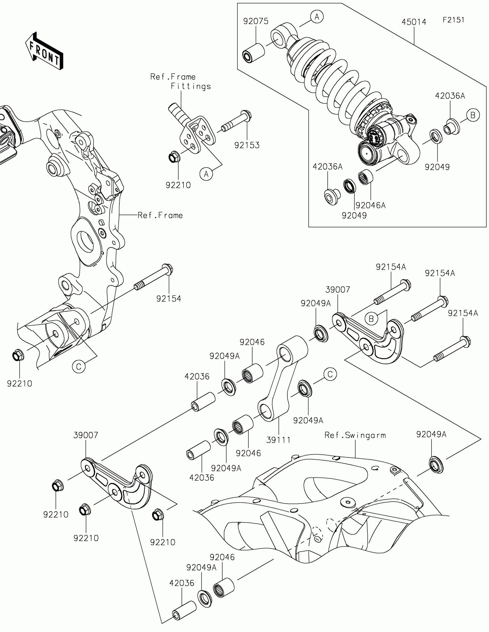
Suspension/Shock Absorber
Kawasaki NINJA® ZX™-10R ABS Suspension/Shock Absorber Diagram
#
Description
Price
Suspension/Shock Absorber
#
Edit ride
