Partiron

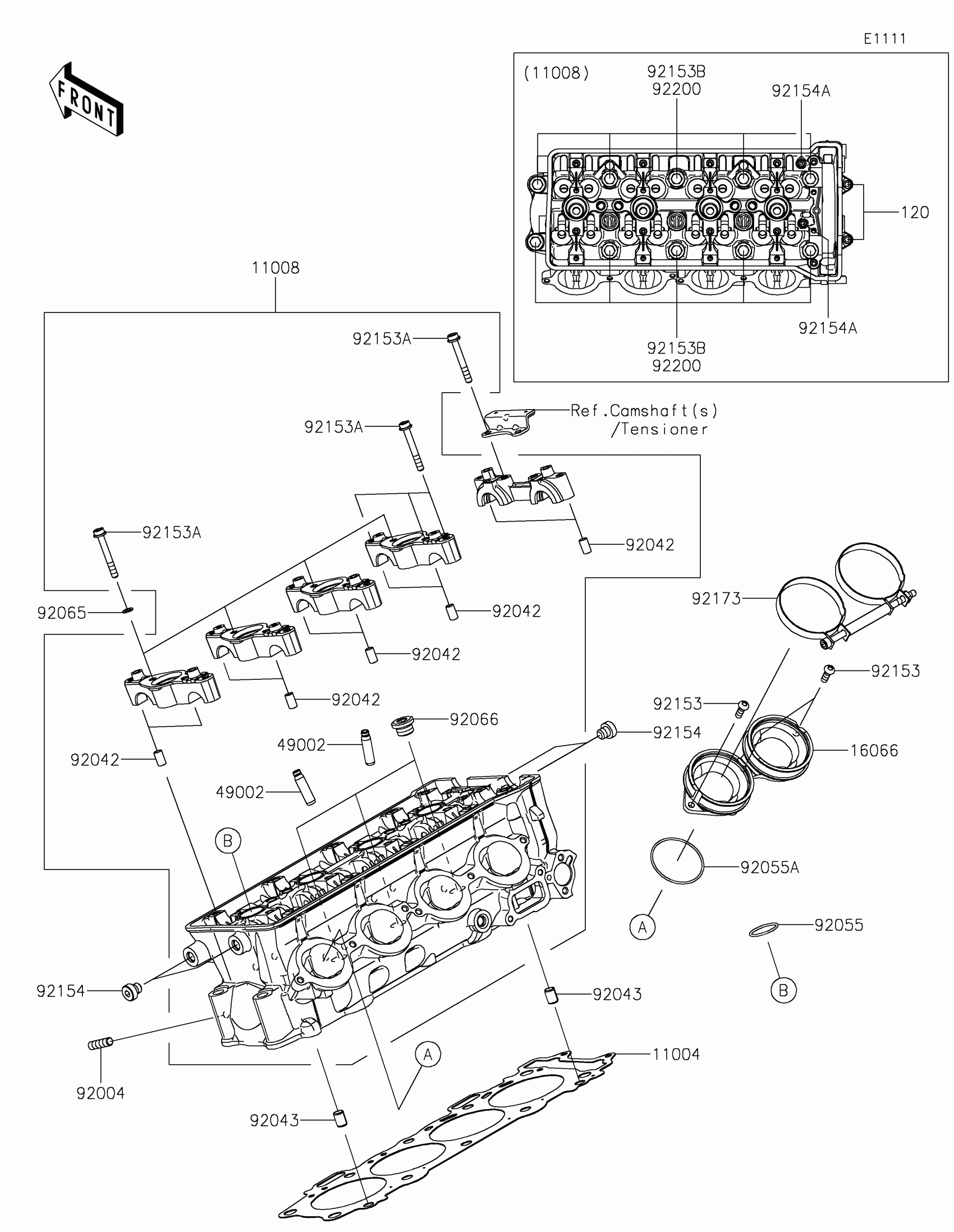
Kawasaki NINJA® ZX™-10R ABS Cylinder Head Diagram

#

Description
Price

11004

GASKET-HEAD

11004-0094

$126.33

11008

HEAD-COMP-CYLINDER

11008-0721

$2,781.68

16065

HOLDER-CARBURETOR

16065-0115

$66.61

49002

GUIDE-VALVE

49002-0009

$34.18

92004

STUD,8X18

92004-0049

$5.60

92042

PIN,DOWEL,6.3X8X14

92042-007

$5.70

92043

PIN,8.2X10X14

92043-1264

$0.64

92055

RING-O,47X1.9

92055-1600

$9.19

92066

PLUG,18X10

92066-0016

$12.90

92153

BOLT,TORX,6X18

92153-0454

$2.12

92153A

BOLT,SOCKET,6X45

92153-0656

$2.55

92153B

BOLT,FLANGED,10X90

92153-0893

$11.00

92173

CLAMP

92173-0222

$26.90

92200

WASHER,10.5X19X2.3

92200-0114

$3.29

120

BOLT-SOCKET,6X30

120CD0630

$4.76