- Partiron
- OEM Parts
- Kawasaki
- motorcycle
- 2014
- NINJA® ZX™-10R ABS
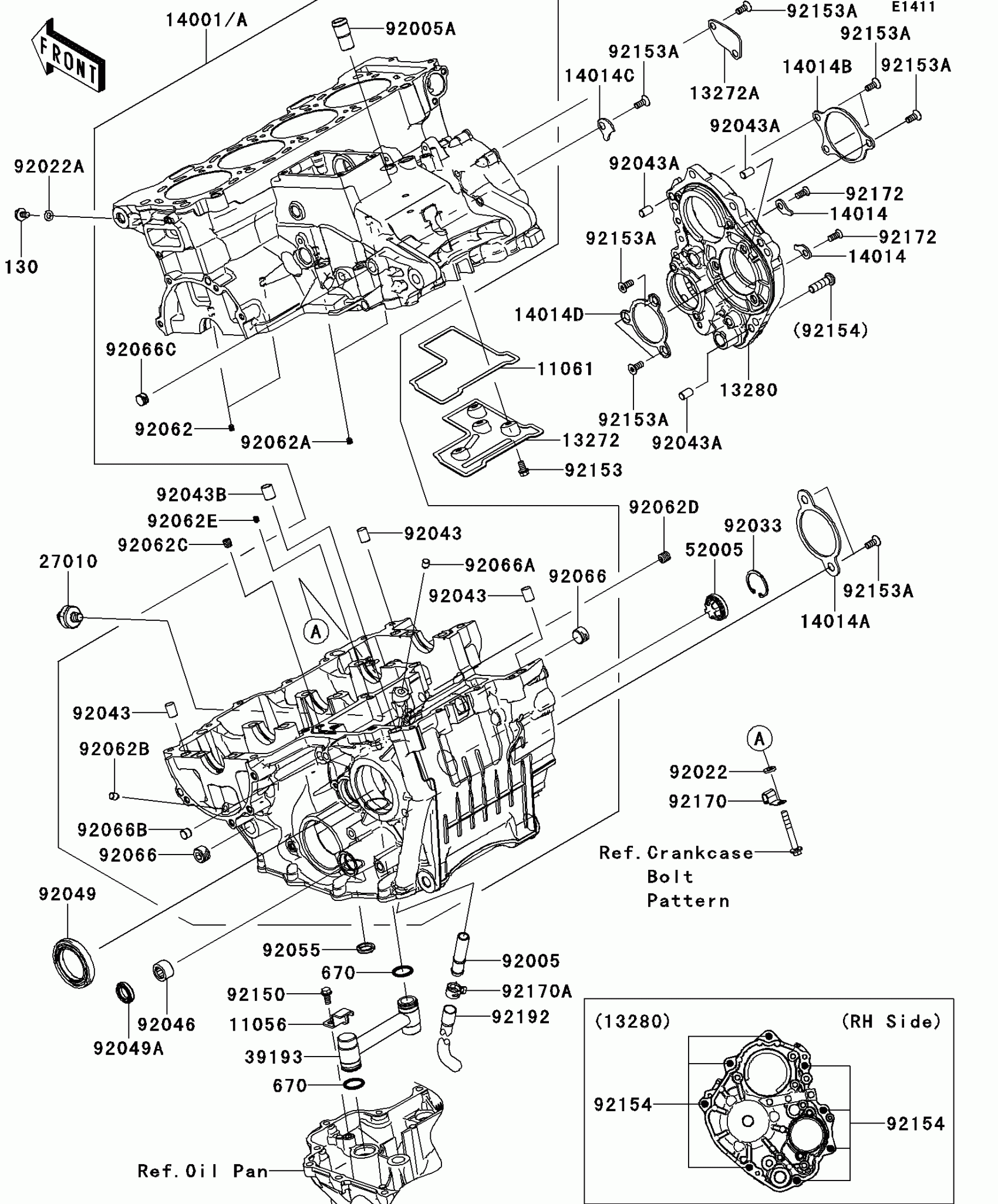
Crankcase
Kawasaki NINJA® ZX™-10R ABS Crankcase Diagram
#
Description
Price
14001A
SET-CRANKCASE
14001-0598
Unavailable
Crankcase
#
14001A
14001-0598
Unavailable
Edit ride
