- Partiron
- OEM Parts
- Kawasaki
- motorcycle
- 1989
- Ninja® ZX™-10
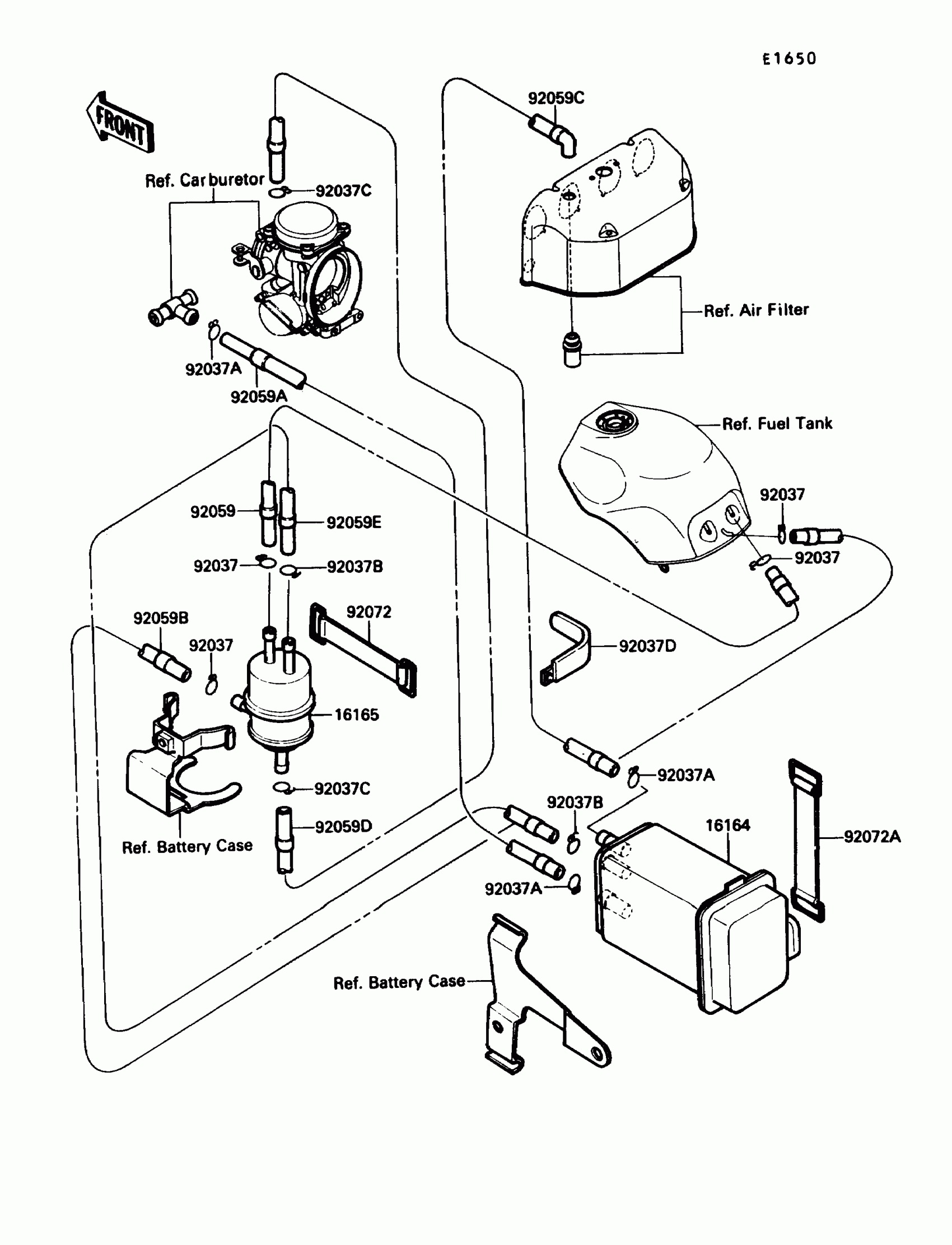
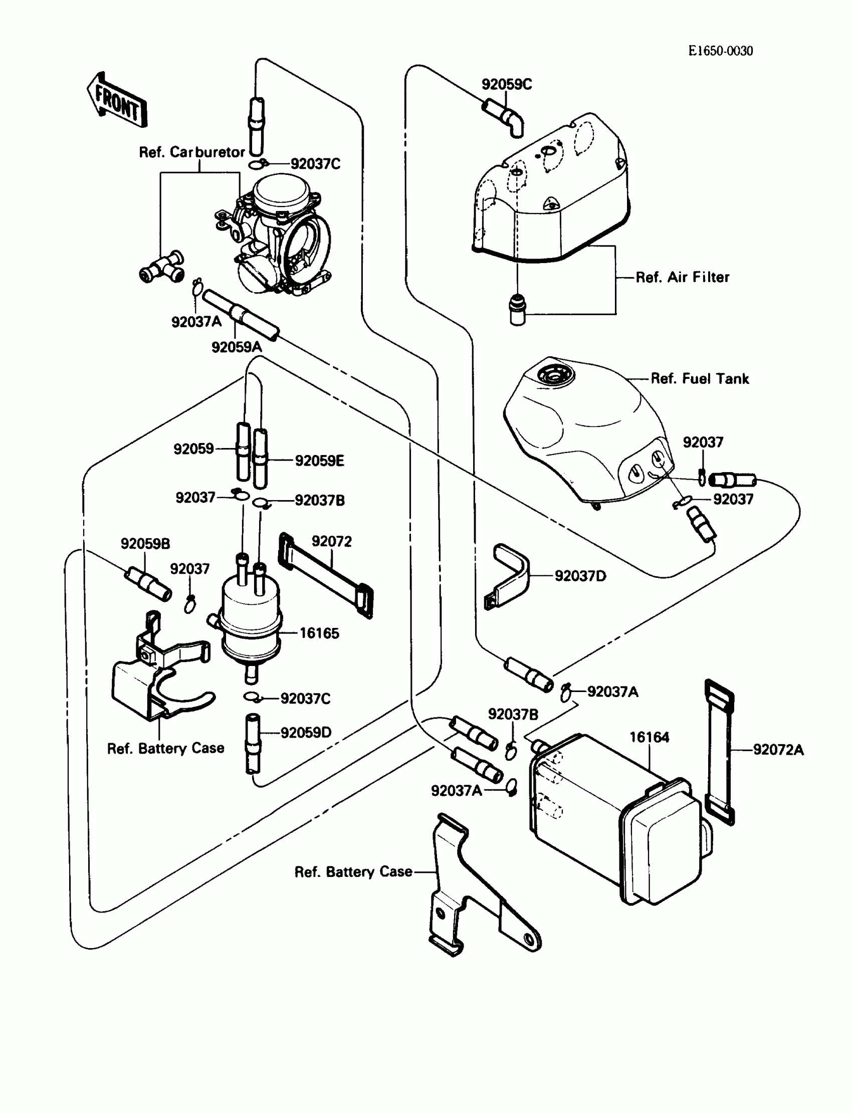
Fuel Evaporative System
Kawasaki Ninja® ZX™-10 Fuel Evaporative System Diagram
#
Description
Price
92059
TUBE,5X8X510
92059-1439
Unavailable
