- Partiron
- OEM Parts
- Kawasaki
- motorcycle
- 1989
- Ninja® ZX™-10
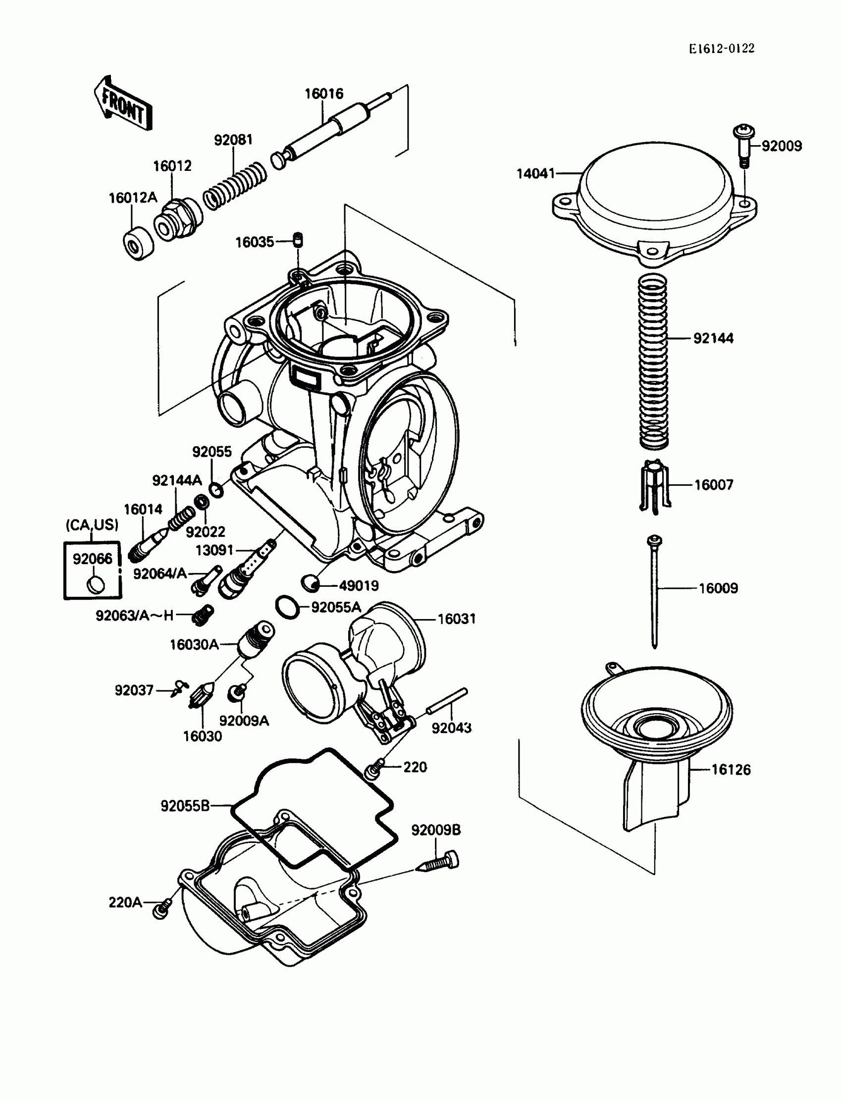
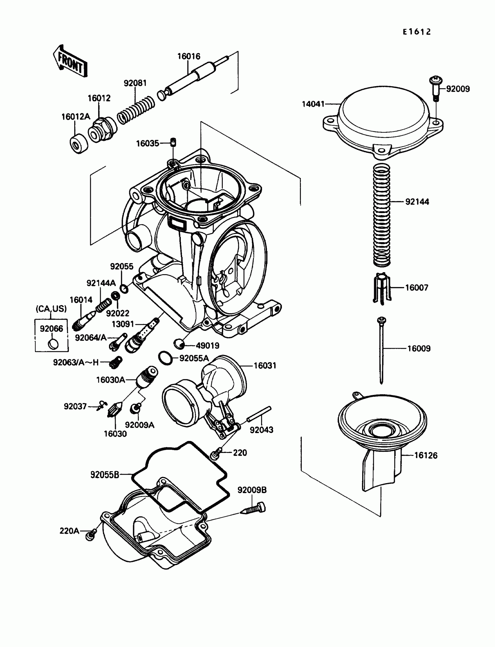
Carburetor Parts
Kawasaki Ninja® ZX™-10 Carburetor Parts Diagram
#
Description
Price
13091
HOLDER,NEEDLE JET
13091-1579
Unavailable
16009
NEEDLE-JET,N14C
16009-1477
Unavailable
