- Partiron
- OEM Parts
- Kawasaki
- motorcycle
- 1989
- Ninja® ZX™-10
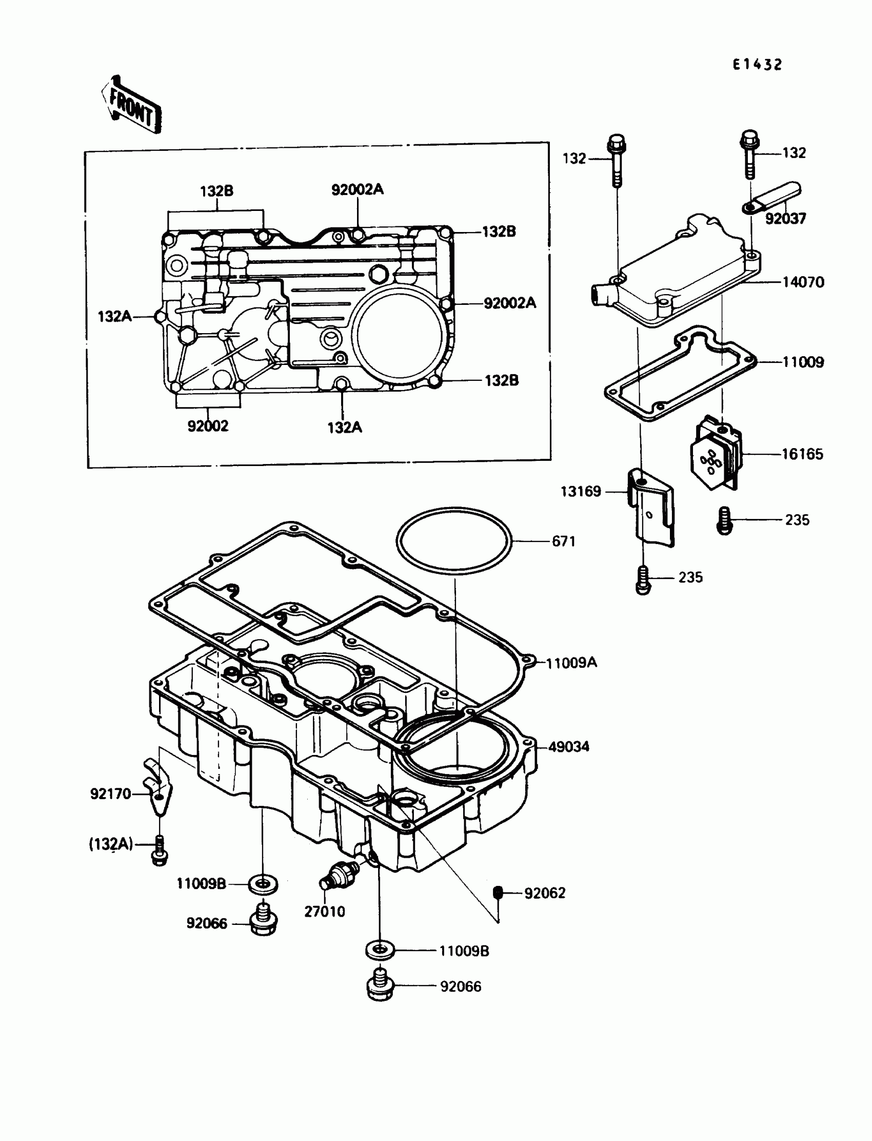
Breather Cover/Oil Pan
Kawasaki Ninja® ZX™-10 Breather Cover/Oil Pan Diagram
#
Description
Price
11009
GASKET,BREATHER BODY
11009-1389
Unavailable
11009A
GASKET,OIL PAN
11009-1390
Unavailable
92002
BOLT,6X25
92002-1344
Unavailable
