- Partiron
- OEM Parts
- Kawasaki
- motorcycle
- 1989
- Ninja® ZX™-10
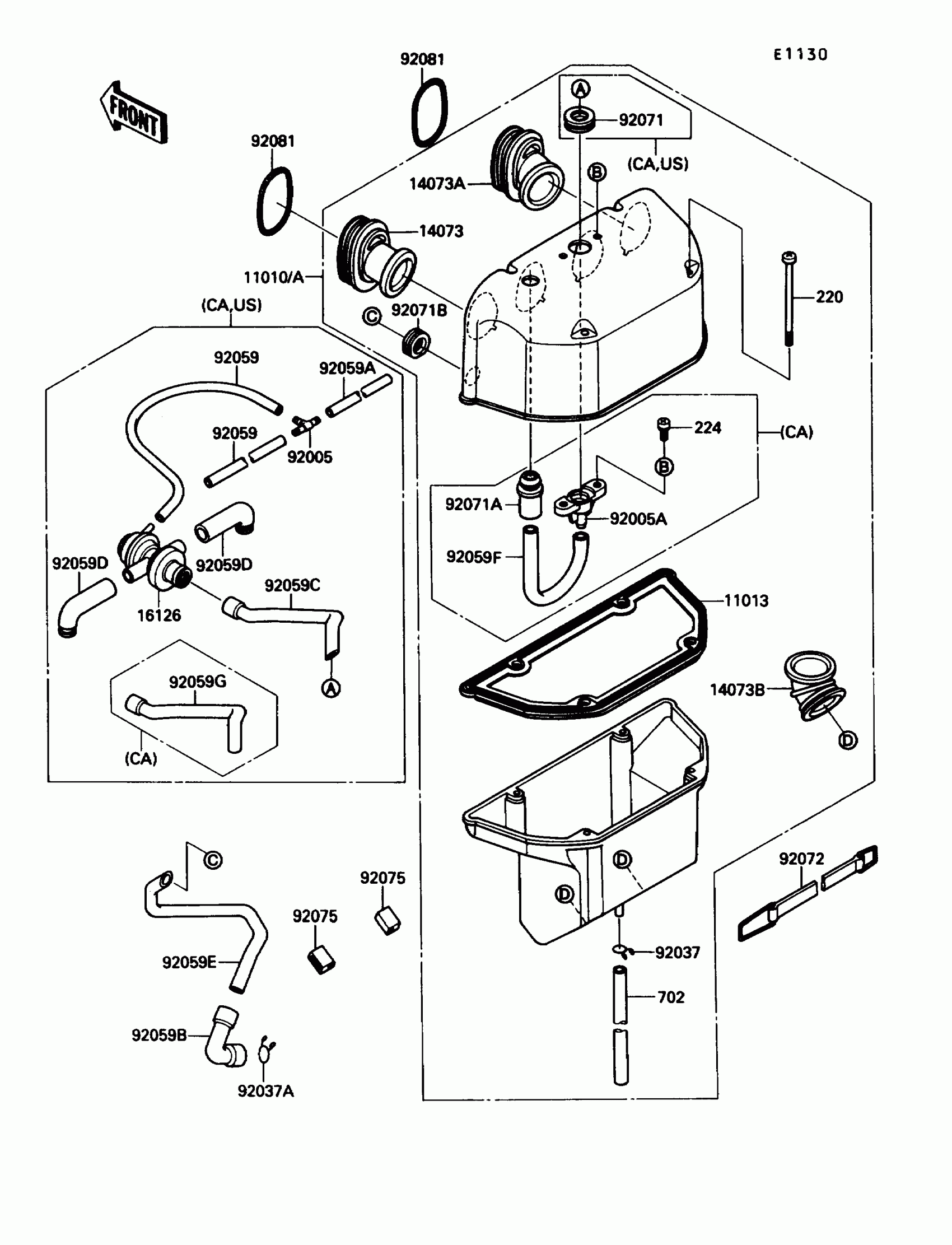
Air Cleaner
Kawasaki Ninja® ZX™-10 Air Cleaner Diagram
#
Description
Price
14073A
DUCT,#3
14073-1345
Unavailable
14073B
DUCT
14073-1349
Unavailable
11010
FILTER-ASSY-AIR
11010-1348
Unavailable
11010A
FILTER-ASSY-AIR
11010-1349
Unavailable
11010B
FILTER-ASSY-AIR
11010-1350
Unavailable
92005
FITTING,TUBE,T-TYPE
92005-1017
Unavailable
