Partiron

Kawasaki NINJA H2™ SX SE Frame Fittings Diagram

#

Description
Price

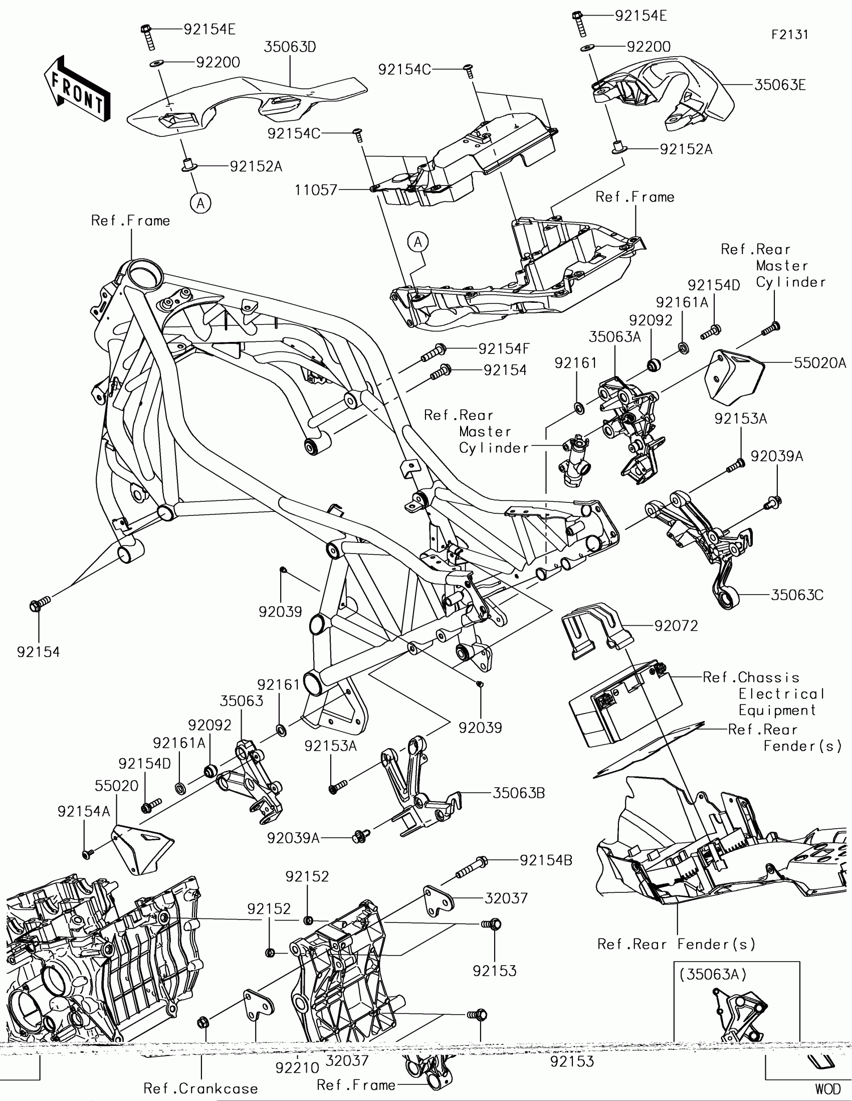
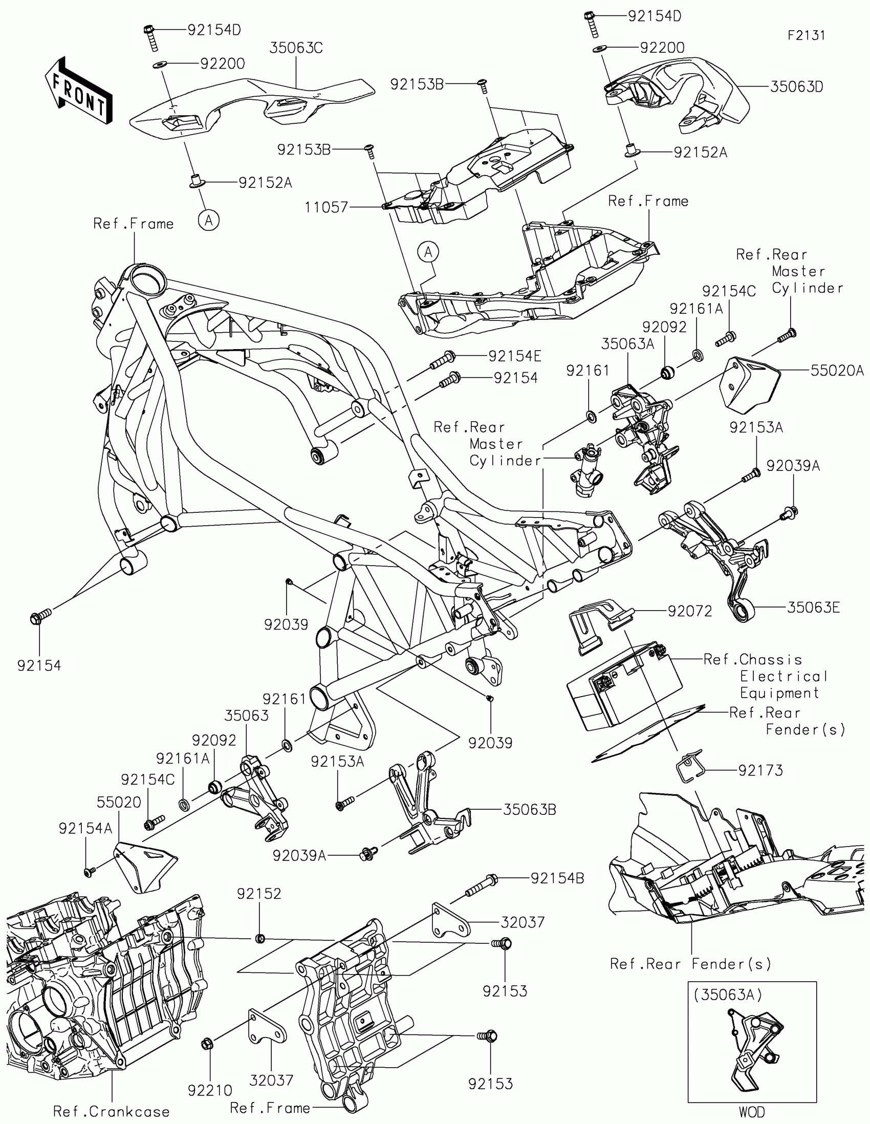
11057

BRACKET,RR FRAME,UPP

11057-1298

$46.17

32037

BRACKET-SHOCKABSORBER

32037-0401

$19.79

35063

STAY,STEP,LH,FR,M.F.S.BLACK

35063-1418-46R

$159.51

35063A

STAY,STEP,RH,FR,M.F.S.BLACK

35063-1419-46R

$136.49

35063B

STAY,STEP,LH,RR,M.F.S.BLACK

35063-1420-46R

$153.09

35063C

STAY,STEP,RH,RR,M.F.S.BLACK

35063-1421-46R

$171.20

35063D

STAY,GRIP,LH

35063-1422

$196.23

35063E

STAY,GRIP,RH

35063-1423

$196.23

55020

GUARD,FOOT,LH

55020-2201

$54.07

55020A

GUARD,FOOT,RH

55020-2202

$55.60

92039

RIVET,PLASTI

92039-0773

$1.19

92039A

RIVET

92039-0789

$3.21

92072

BAND,L=168

92072-1306

$13.75

92092

BUSHING-RUBBER,8.4X20X18

92092-0039

$14.74

92152

COLLAR,DOWEL PIN

92152-0679

$7.60

92152A

COLLAR,9.05X12.6X15.3

92152-2412

$12.83

92153

BOLT,FLANGED,10X30

92153-0801

$4.15

92153A

BOLT,SOCKET,8X30

92153-1624

$3.90

92154

BOLT,FLANGED,10X30

92154-0543

$9.43

92154A

BOLT,SOCKET,6X14

92154-0745

$2.32

92154B

BOLT,FLANGED,10X54

92154-0903

$7.43

92154C

BOLT,SOCKET,6X18

92154-1694

$2.75

92154D

BOLT,SOCKET,8X30

92154-2912

$3.74

92154E

BOLT,FLANGED,8X35

92154-2915

$2.95

92154F

BOLT,FLANGED,10X40

92154-2924

$6.38

92161

DAMPER,12.5X21X2

92161-0943

$2.67

92161A

DAMPER,12.5X20X4

92161-0944

$3.02

92200

WASHER,8.5X23X1.6

92200-1936

$2.44

92210

NUT,LOCK,FLANGED,10MM

92210-1139

$4.18