- Partiron
- OEM Parts
- Kawasaki
- motorcycle
- 2018
- NINJA H2™ SX
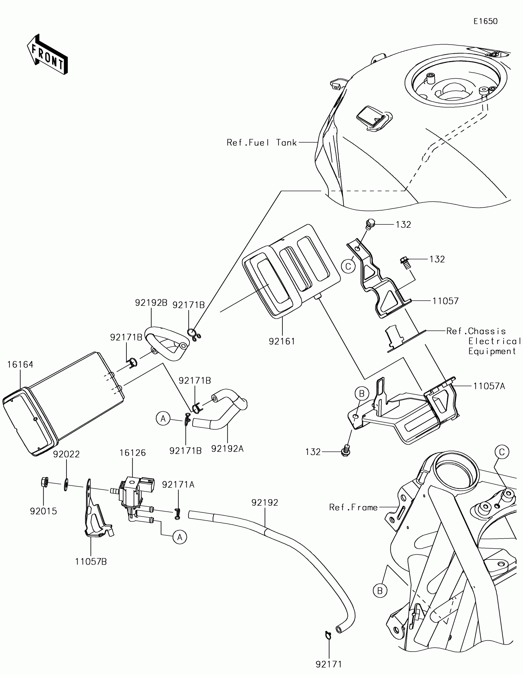
Fuel Evaporative System(CA)
Kawasaki NINJA H2™ SX Fuel Evaporative System(CA) Diagram
#
Description
Price
Fuel Evaporative System(CA)
#
Edit ride
