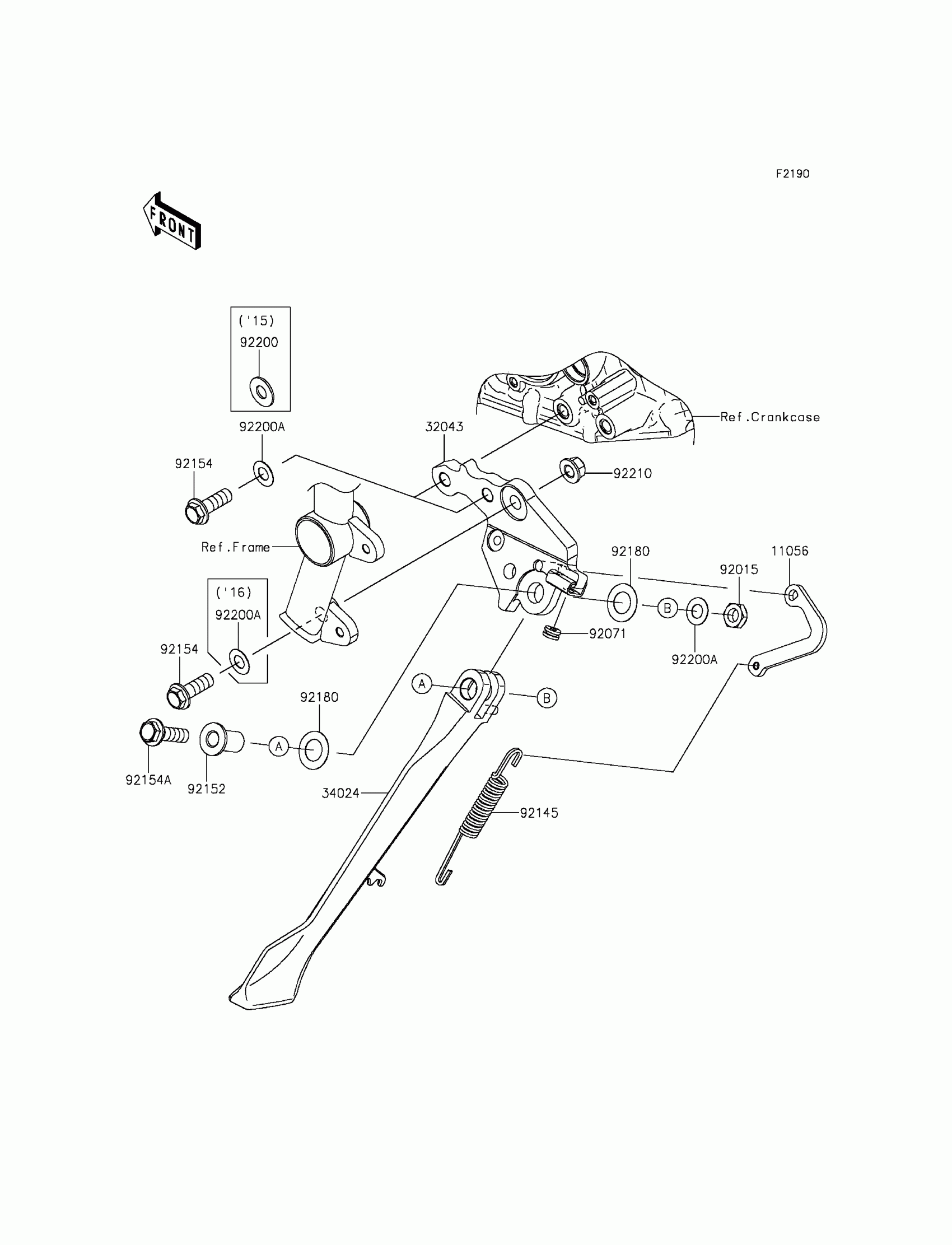
Partiron

Kawasaki NINJA H2™ Stand(s) Diagram

#

Description
Price

11056

BRACKET,LINK

11056-4484

$15.16

32043

BRACKET-STAND

32043-0606

$96.20

34024

STAND-SIDE

34024-0135

$191.79

92015

NUT,LOCK,10MM,BLACK

92015-1188

$6.22

92071

GROMMET,1.8X12X6

92071-2126

$1.59

92145

SPRING,SIDE STAND

92145-1639

$20.99

92152

COLLAR,10.2X24X27.6

92152-1951

$39.84

92154

BOLT,FLANGED,10X30

92154-1645

$7.33

92154A

BOLT,FLANGED,10X35

92154-1808

$7.59

92180

SHIM,16X28X0.4

92180-0812

$11.71

92200A

WASHER,10.2X20X0.5

92200-1732

$9.43

92210

NUT,LOCK,FLANGED,10MM

92210-1139

$4.18