Partiron

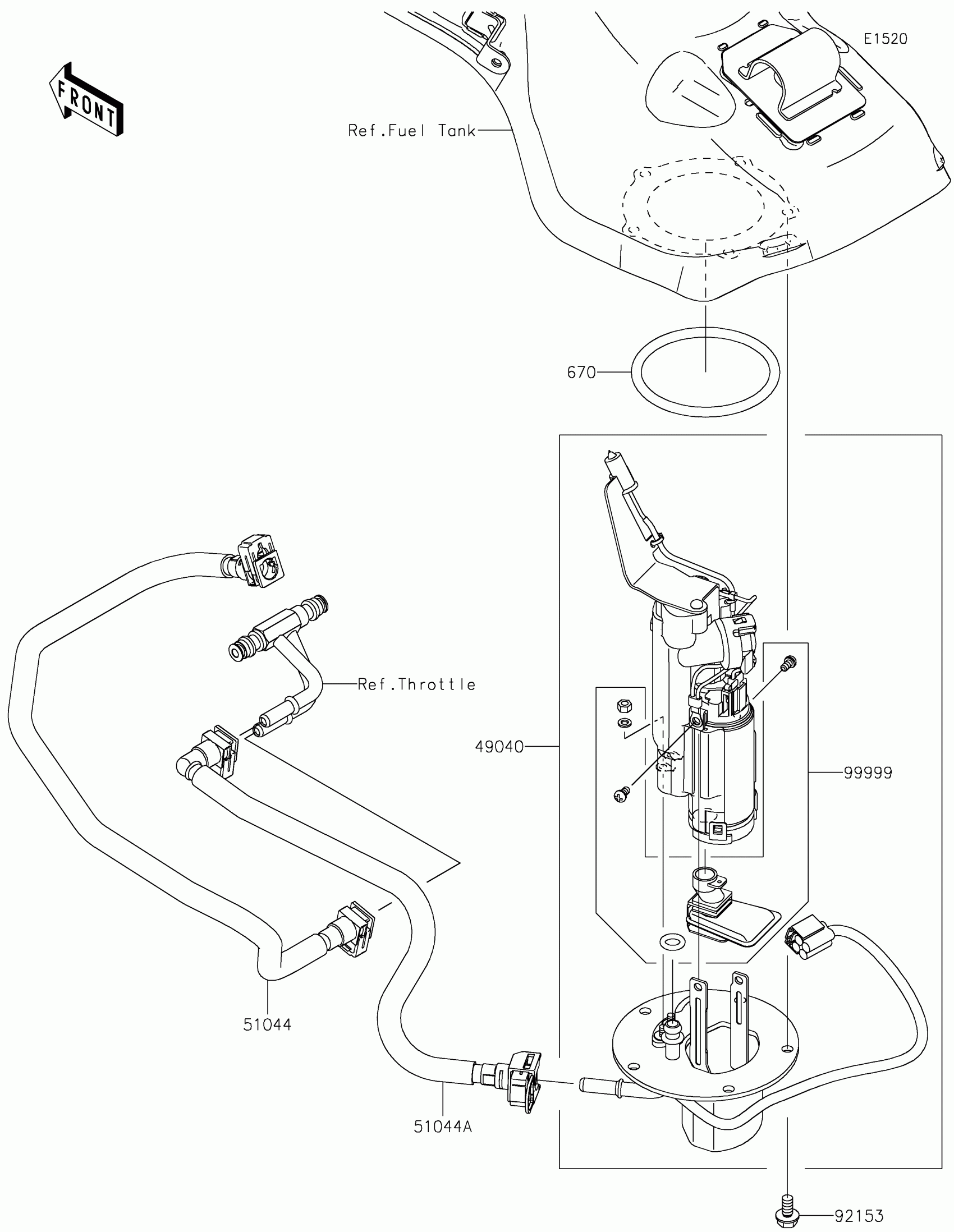
Kawasaki NINJA H2®R ABS Fuel Pump Diagram

#

Description
Price

49040

PUMP-FUEL

49040-0821

$1,948.79

51044

TUBE-ASSY

51044-0860

$107.50

51044A

TUBE-ASSY

51044-0861

$89.74

92153

BOLT,FLANGED,6X12

92153-1283

$2.41

99999

KIT,FUEL FILTER

99999-0520

$76.99

670

O RING

670E5075

$23.16