Partiron

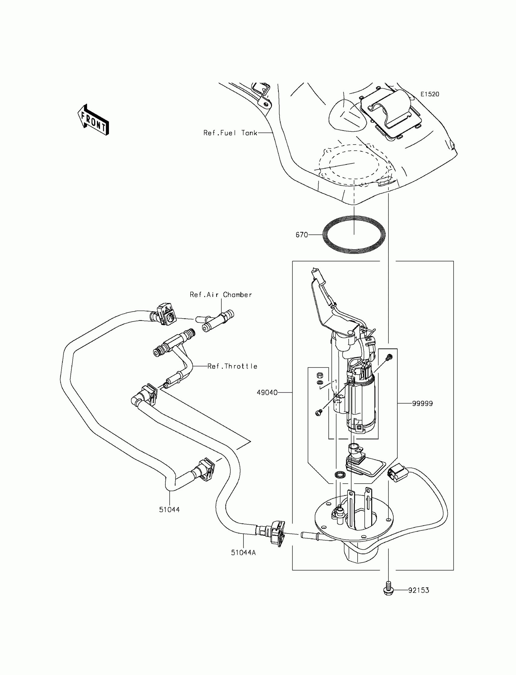
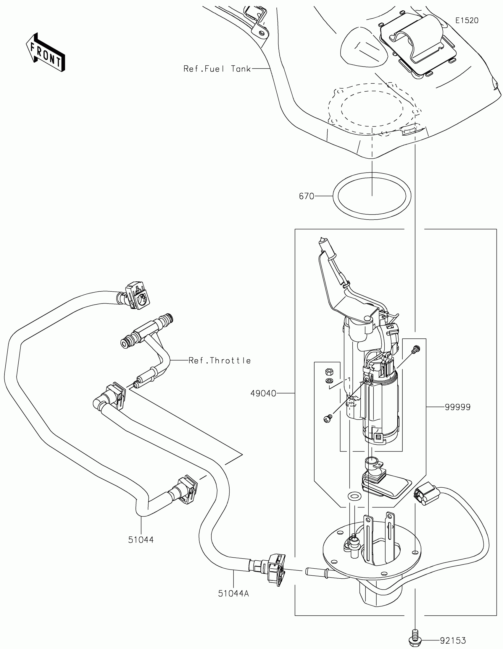
Kawasaki NINJA H2™ Fuel Pump Diagram

#

Description
Price

670

O RING

670E5075

$23.16

49040

PUMP-FUEL

49040-0740

$652.80

51044

TUBE-ASSY

51044-0767

$112.66

51044A

TUBE-ASSY

51044-0768

$89.74

92153

BOLT,FLANGED,6X12

92153-1283

$2.41

99999

KIT,FUEL FILTER

99999-0520

$76.99