- Partiron
- OEM Parts
- Kawasaki
- motorcycle
- 2025
- NINJA H2® ABS
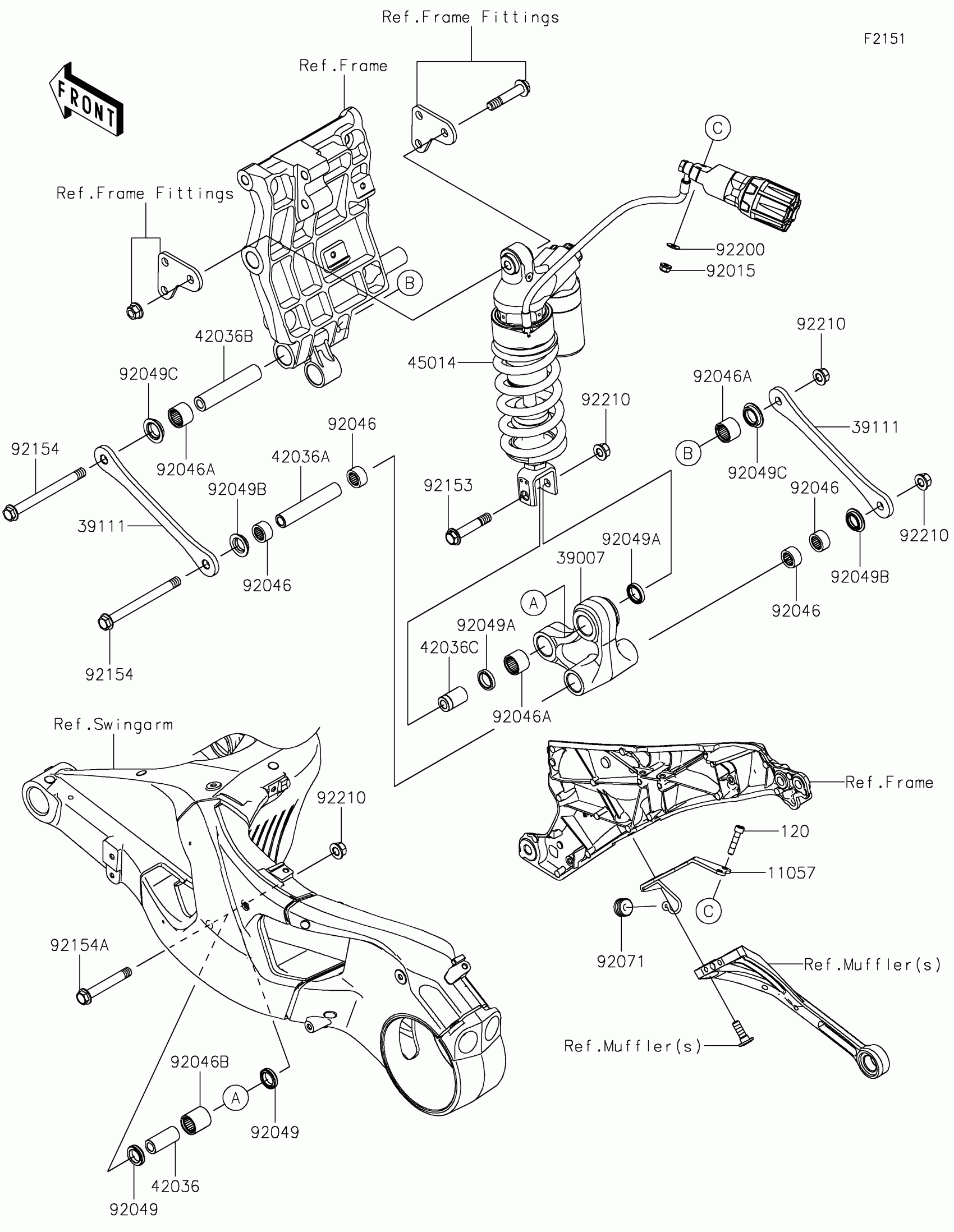
Suspension/Shock Absorber
Kawasaki NINJA H2® ABS Suspension/Shock Absorber Diagram
#
Description
Price
Suspension/Shock Absorber
#
Edit ride
