Partiron

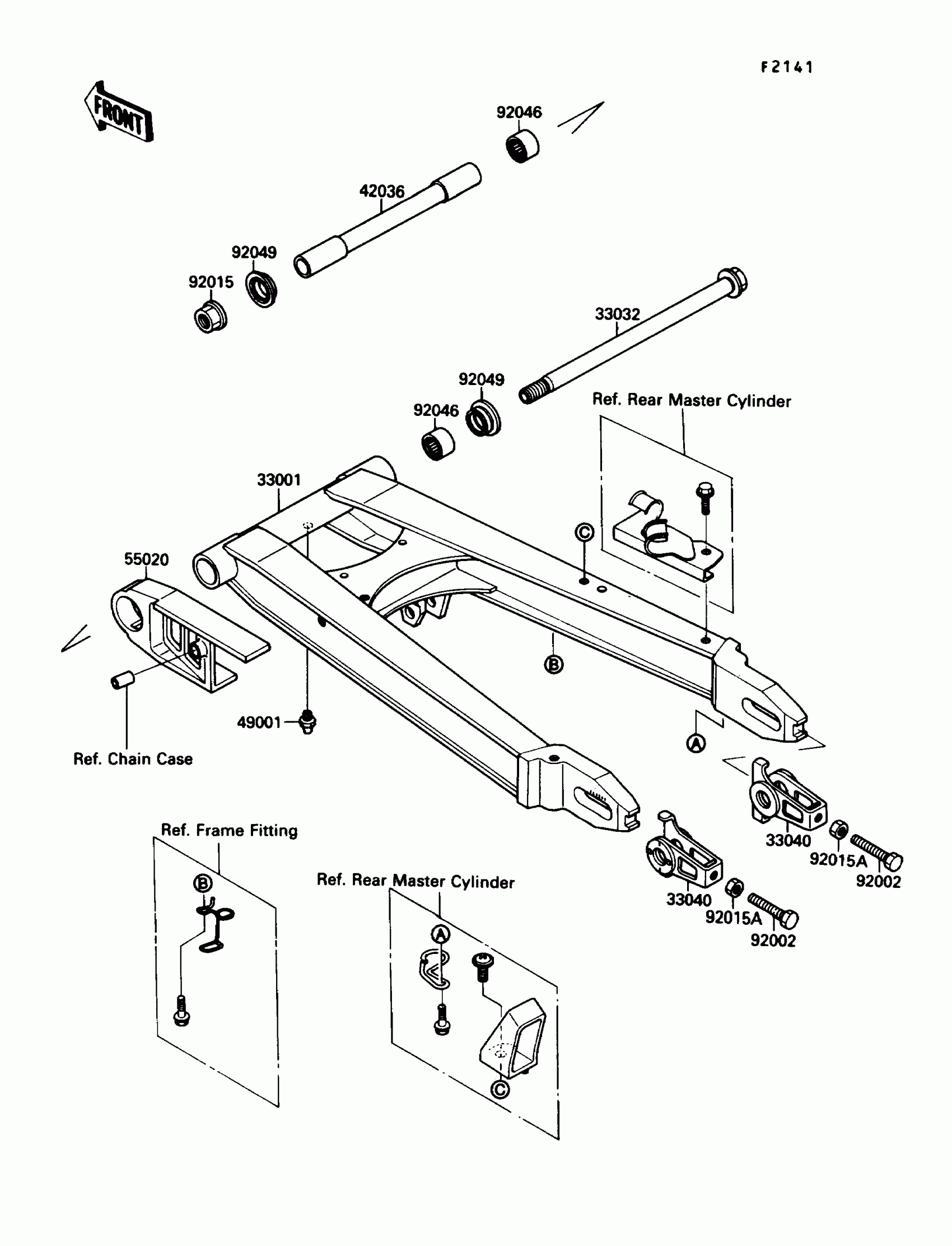
Kawasaki Ninja® 750R Swingarm Diagram

#

Description
Price

33001

ARM-COMP-SWING,SILVER NO.25

33001-1294-CE

$920.63

33032

SHAFT-SWING ARM

33032-1126

Unavailable

33040

ADJUSTER-CHAIN

33040-1074

$34.34

42036

SLEEVE,L=244

42036-1214

Unavailable

49001

NIPPLE-GREASE

49001-1051

$3.02

55020

GUARD,CHAIN

55020-1246

$63.42

92002

BOLT,8X50

92002-1958

Unavailable

92015

NUT,16MM

92015-1041

$12.74

92015A

NUT,8MM

92015-1364

$3.92

92046

BEARING-NEEDLE,BHTM2530-1

92046-1035

$26.30

92049

SEAL-OIL,MHA25X33X5.7F

92049-1166

$10.40