- Partiron
- OEM Parts
- Kawasaki
- motorcycle
- 1989
- Ninja® 750R
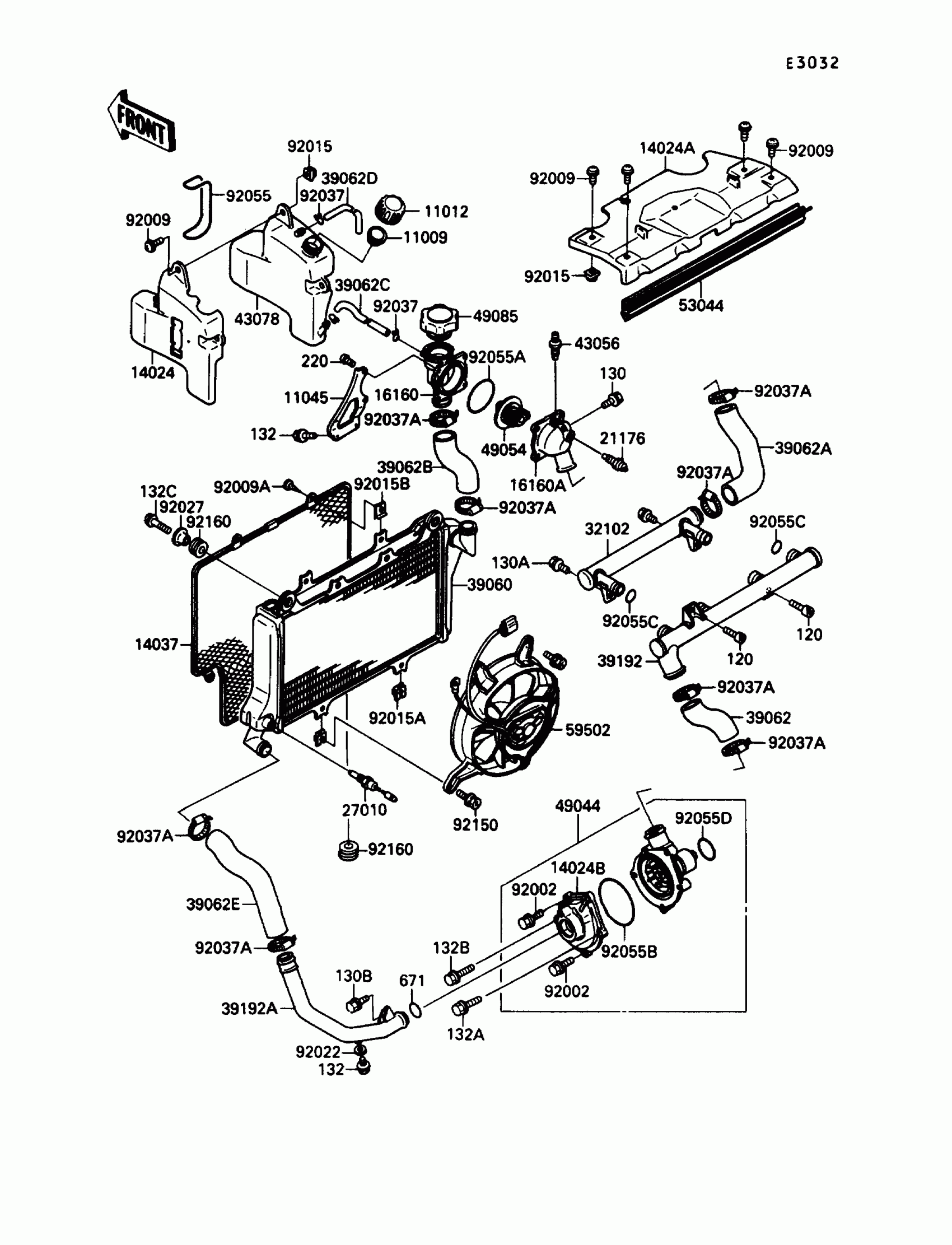
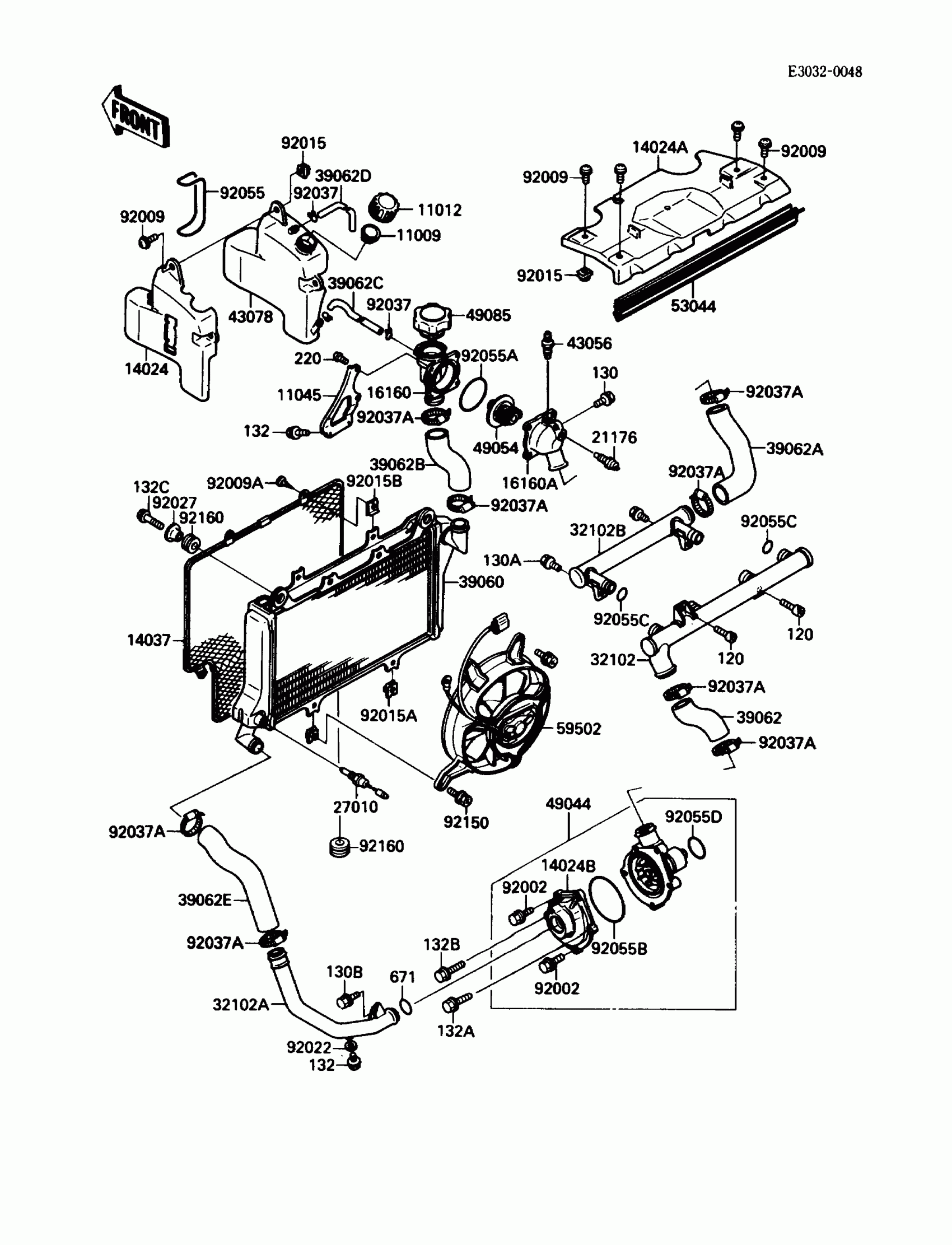
Radiator
Kawasaki Ninja® 750R Radiator Diagram
#
Description
Price
11045
BRACKET,THERMOSTAT
11045-1249
Unavailable
14024
COVER,RESERVOIR
14024-1342
Unavailable
14024A
COVER
14024-1343
Unavailable
14024B
COVER,WATER PUMP
14024-1428
Unavailable
32102A
PIPE,COOLING
32102-1259
Unavailable
39062B
HOSE-COOLING,CAP-RADIATOR
39062-1201
Unavailable
39062E
HOSE-COOLING,RADIATOR-PUMP
39062-1270
Unavailable
49044
PUMP-WATER
49044-1059
Unavailable
49054
THERMOSTAT
49054-1051
Unavailable
92055
RING-O
92055-1001
Unavailable
