- Partiron
- OEM Parts
- Kawasaki
- motorcycle
- 1989
- Ninja® 750R
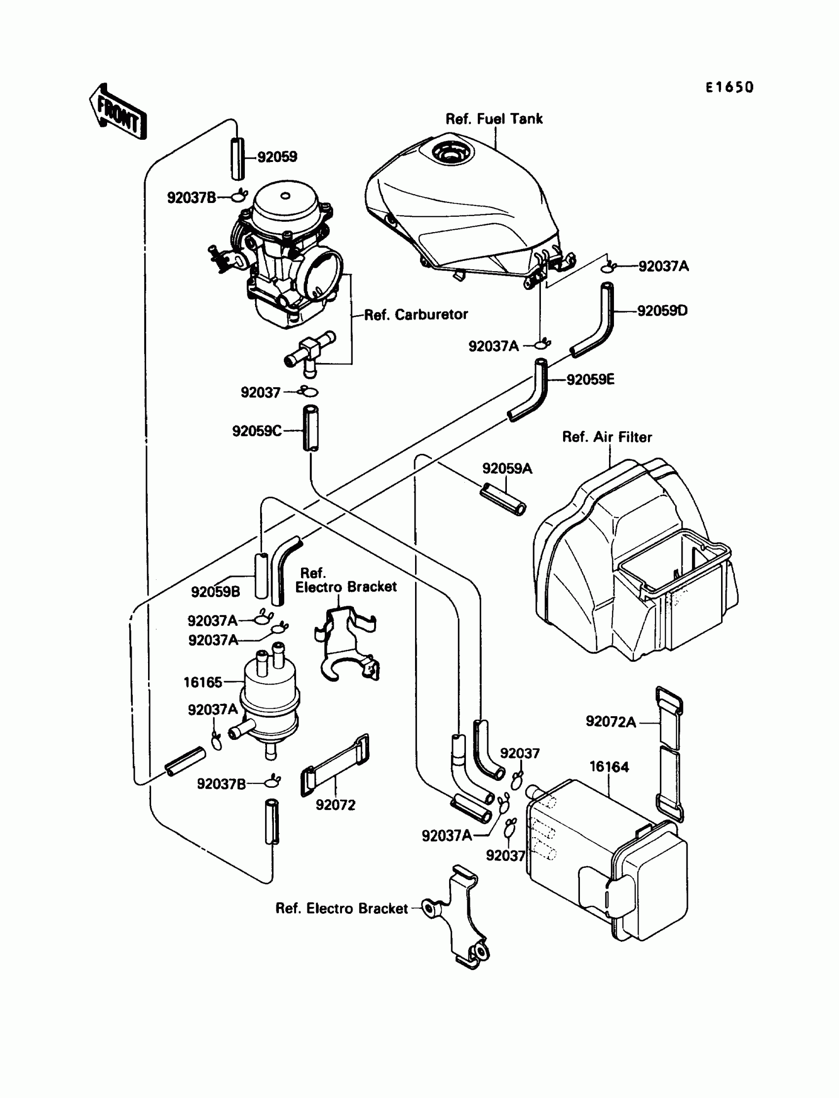
Fuel Evaporative System
Kawasaki Ninja® 750R Fuel Evaporative System Diagram
#
Description
Price
92059C
TUBE,7X12X244,YELLOW
92059-1763
Unavailable
