- Partiron
- OEM Parts
- Kawasaki
- motorcycle
- 1989
- Ninja® 750R
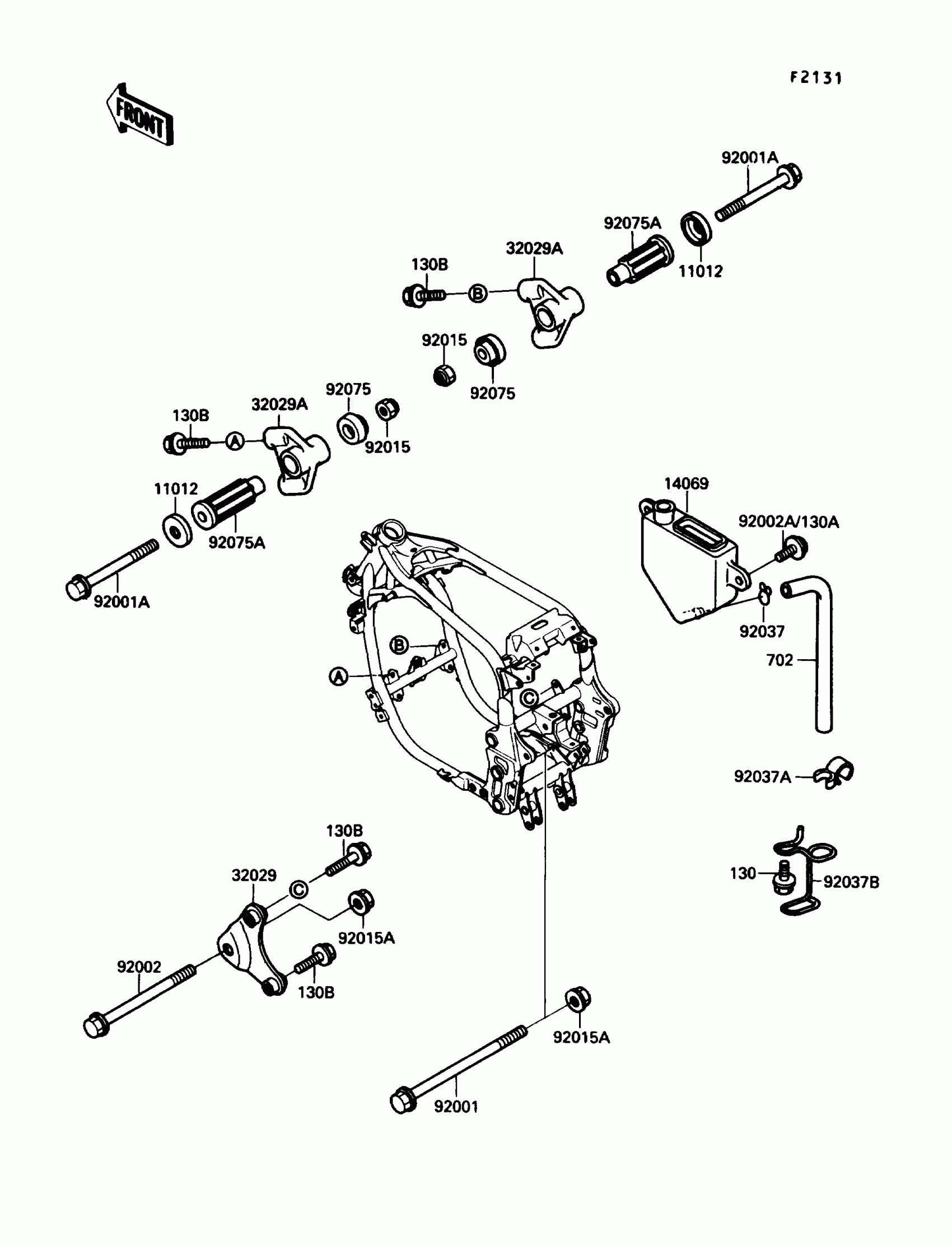
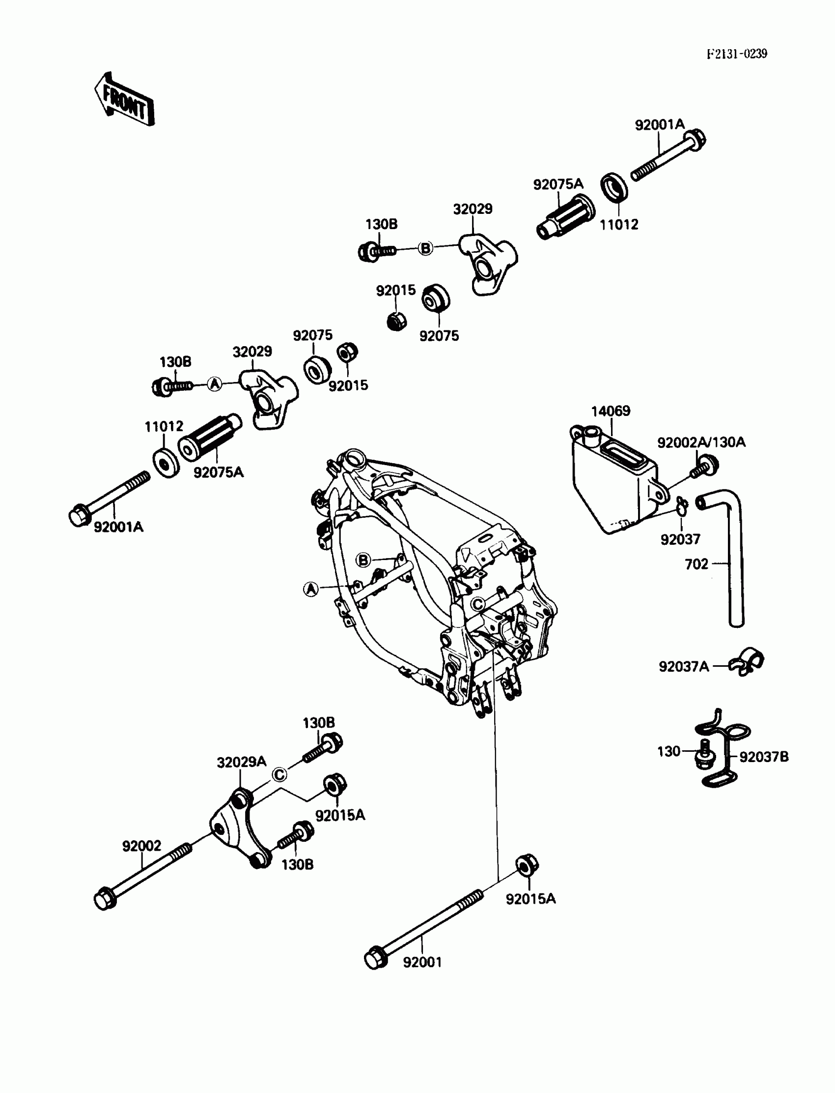
Frame Fittings
Kawasaki Ninja® 750R Frame Fittings Diagram
#
Description
Price
14069
BREATHER
14069-1054
Unavailable
32029
BRACKET-ENGINE,FR
32029-1485
Unavailable
92037A
CLAMP,HOSE
92037-1857
Unavailable
