- Partiron
- OEM Parts
- Kawasaki
- motorcycle
- 1989
- Ninja® 750R
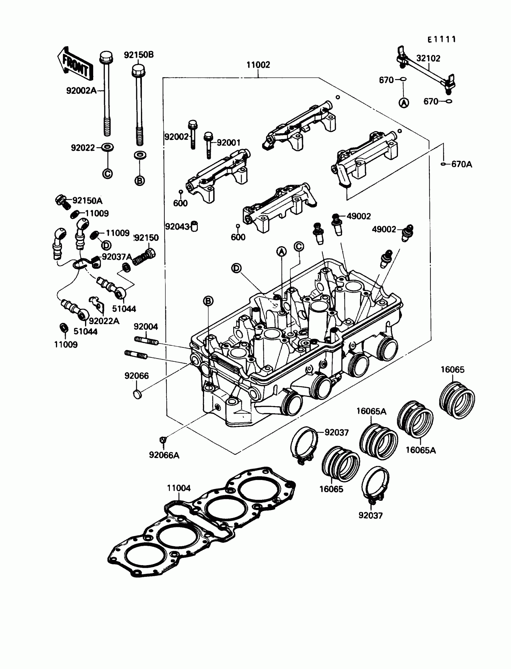
Cylinder Head
Kawasaki Ninja® 750R Cylinder Head Diagram
#
Description
Price
11002
HEAD-ASSY-CYLINDER
11002-1225
Unavailable
11004
GASKET-HEAD
11004-1154
Unavailable
16065
HOLDER-CARBURETOR,#1
16065-1147
Unavailable
16065A
HOLDER-CARBURETOR,#2
16065-1148
Unavailable
49002
GUIDE-VALVE
49002-1060
Unavailable
92004
STUD,8X30,BLACK
92004-1101
Unavailable
