- Partiron
- OEM Parts
- Kawasaki
- motorcycle
- 1989
- Ninja® 750R
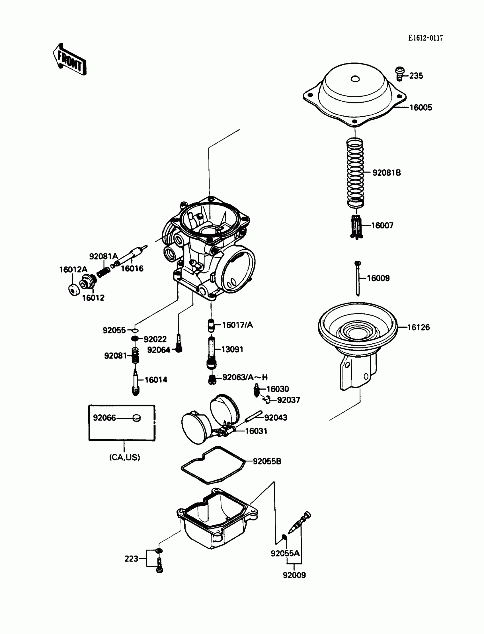
Carburetor Parts
Kawasaki Ninja® 750R Carburetor Parts Diagram
#
Description
Price
13091
HOLDER,NEEDLE JET
13091-1347
Unavailable
16009
NEEDLE-JET,N53I
16009-1339
Unavailable
