Partiron

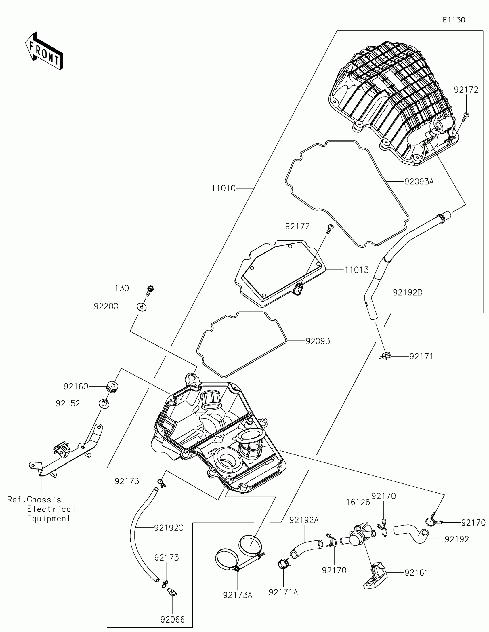
Kawasaki Ninja® 7 Hybrid Air Cleaner Diagram

#

Description
Price

11010

FILTER-ASSY-AIR

11010-1816

$404.72

11013

ELEMENT-AIR FILTER

11013-0767

$52.43

16126

VALVE,AIR CUT

16126-0744

$88.65

92066

PLUG,DRAIN

92066-0782

$10.34

92093

SEAL,ELEMENT

92093-0707

$4.55

92093A

SEAL,CASE

92093-0771

$5.03

92152

COLLAR,6.5X10.5X13.1

92152-0547

$5.65

92160

DAMPER

92160-1162

$5.00

92161

DAMPER

92161-1933

$14.56

92170

CLAMP

92170-1017

$4.69

92171

CLAMP

92171-0533

$3.39

92171A

CLAMP,18.8MM

92171-2056

$1.46

92172

SCREW,5X25

92172-0891

$1.94

92173

CLAMP,10MM

92173-2400

$3.02

92173A

CLAMP,DUCT

92173-2574

$17.34

92192

TUBE,AIR CUT VALVE-AIR CLEANER

92192-1811

$7.60

92192A

TUBE,AIR CUT VALVE-HEAD CAP

92192-1812

$5.83

92192B

TUBE,BREATHER

92192-2613

$43.61

92192C

TUBE,DRAIN CLEAN

92192-2814

$4.16

92200

WASHER,6.5X22X1.6

92200-1087

$3.94

130

BOLT-FLANGED,6X25

130BB0625

$2.80