Partiron

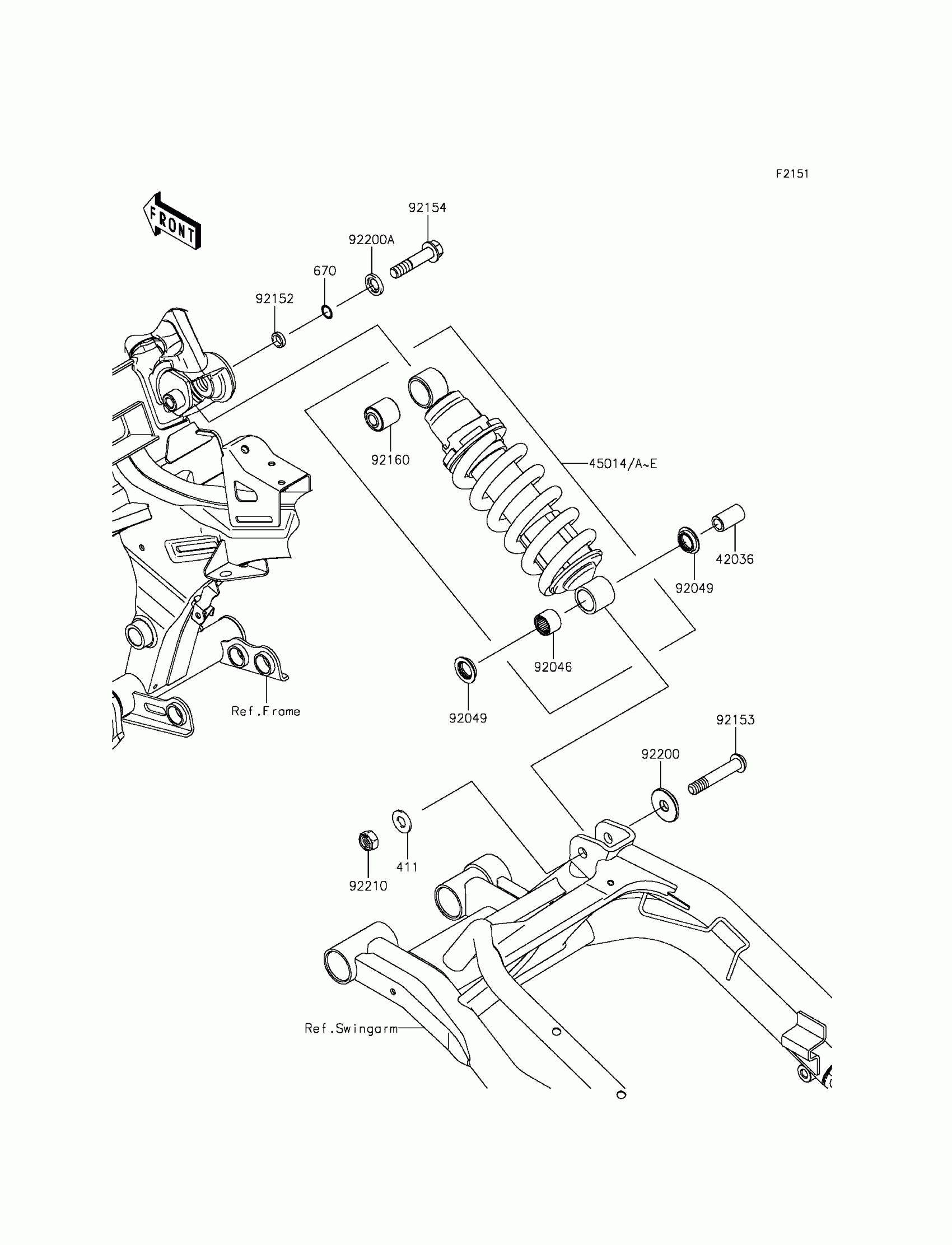
Kawasaki Ninja® 650 Suspension/Shock Absorber Diagram

#

Description
Price

42036

SLEEVE,12.1X18X32

42036-0024

$13.60

45014C

SHOCKABSORBER,G.B.GREEN

45014-0364-46Y

$491.23

92046

BEARING-NEEDLE,SFYZM182417

92046-1272

$16.42

92049

SEAL-OIL

92049-0133

$10.05

92152

COLLAR,12.1X16.8X4.4

92152-0811

$4.45

92153

BOLT,SOCKET,12X70

92153-1985

$13.30

92154

BOLT,FLANGED,12X55

92154-0836

$10.90

92160

DAMPER,SHOCKABSORBER

92160-1161

$30.91

92200

WASHER

92200-0484

$18.23

92200A

WASHER,12.5X24X3.2

92200-0519

$3.71

92210

NUT,LOCK,12MM

92210-0300

$5.70

411

WASHER-PLAIN,12MM

411AA1200

$0.96

670

O RING,12MM

670B2012

$3.23