- Partiron
- OEM Parts
- Kawasaki
- motorcycle
- 2016
- Ninja® 650 ABS
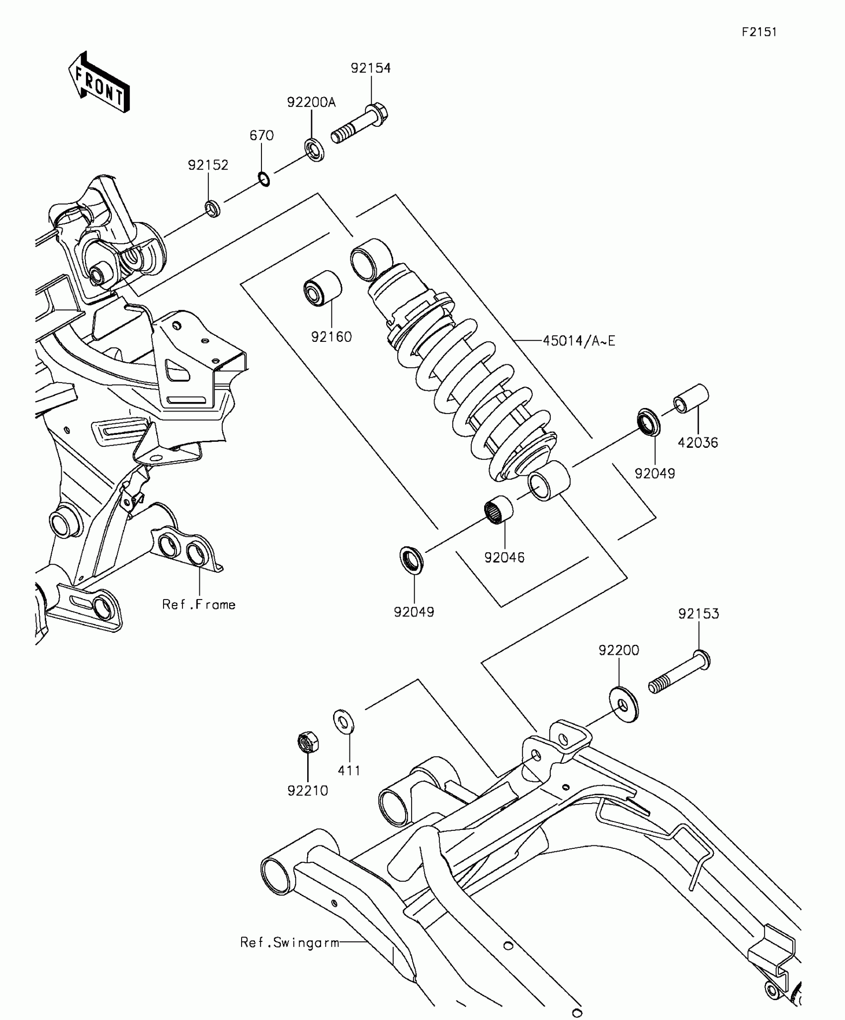
Suspension/Shock Absorber
Kawasaki Ninja® 650 ABS Suspension/Shock Absorber Diagram
#
Description
Price
Suspension/Shock Absorber
#
Edit ride
