- Partiron
- OEM Parts
- Kawasaki
- motorcycle
- 1998
- Ninja® 500R
Chassis Electrical Equipment
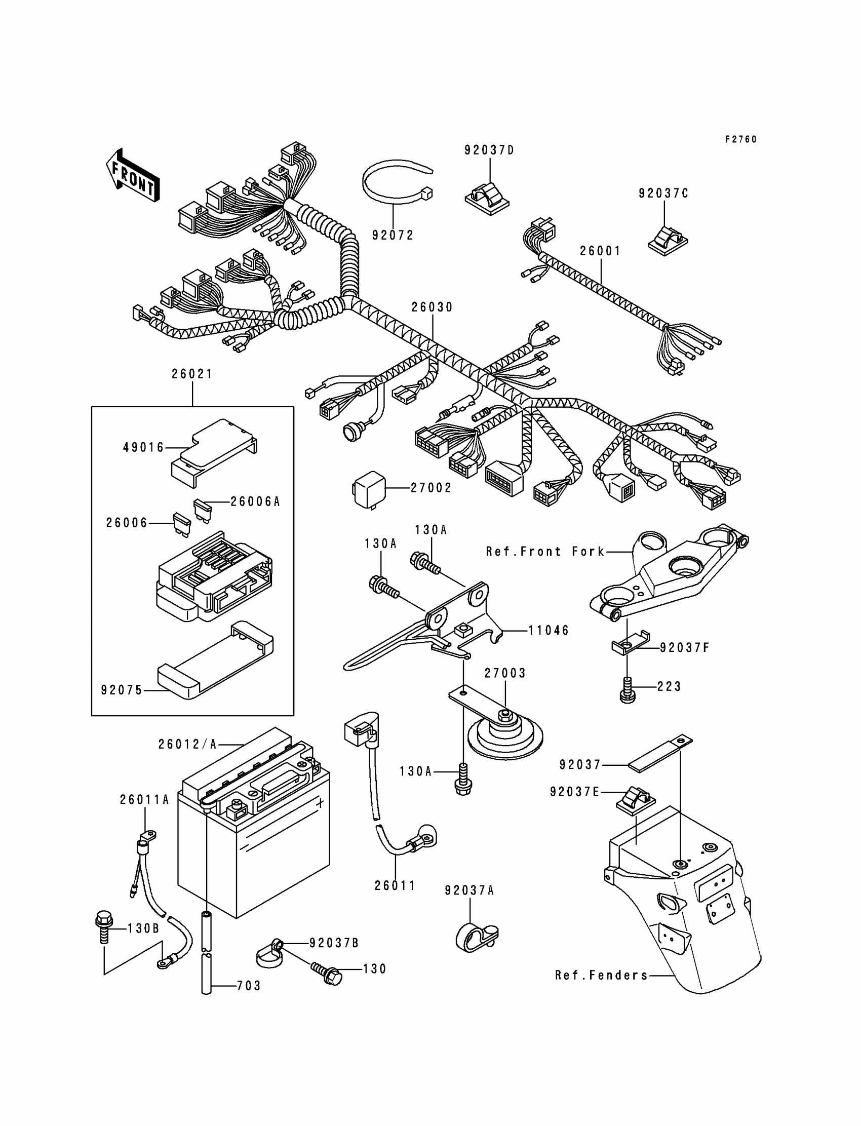
Kawasaki Ninja® 500R Chassis Electrical Equipment Diagram
#
Description
Price
130B
BOLT-FLANGED,6X10
130V0610
Unavailable
26006
FUSE,BLADE,30A,GREEN
26006-1067
Unavailable
26006A
FUSE,10A-R
26006-1068
Unavailable
26021
JUNCTION BOX
26021-1089
Unavailable
26030
HARNESS,MAIN
26030-1290
Unavailable
92037
CLAMP,WIRING HARNESS,L=60
92037-1069
Unavailable
92037F
CLAMP,HARNESS
92037-1916
Unavailable
