Partiron

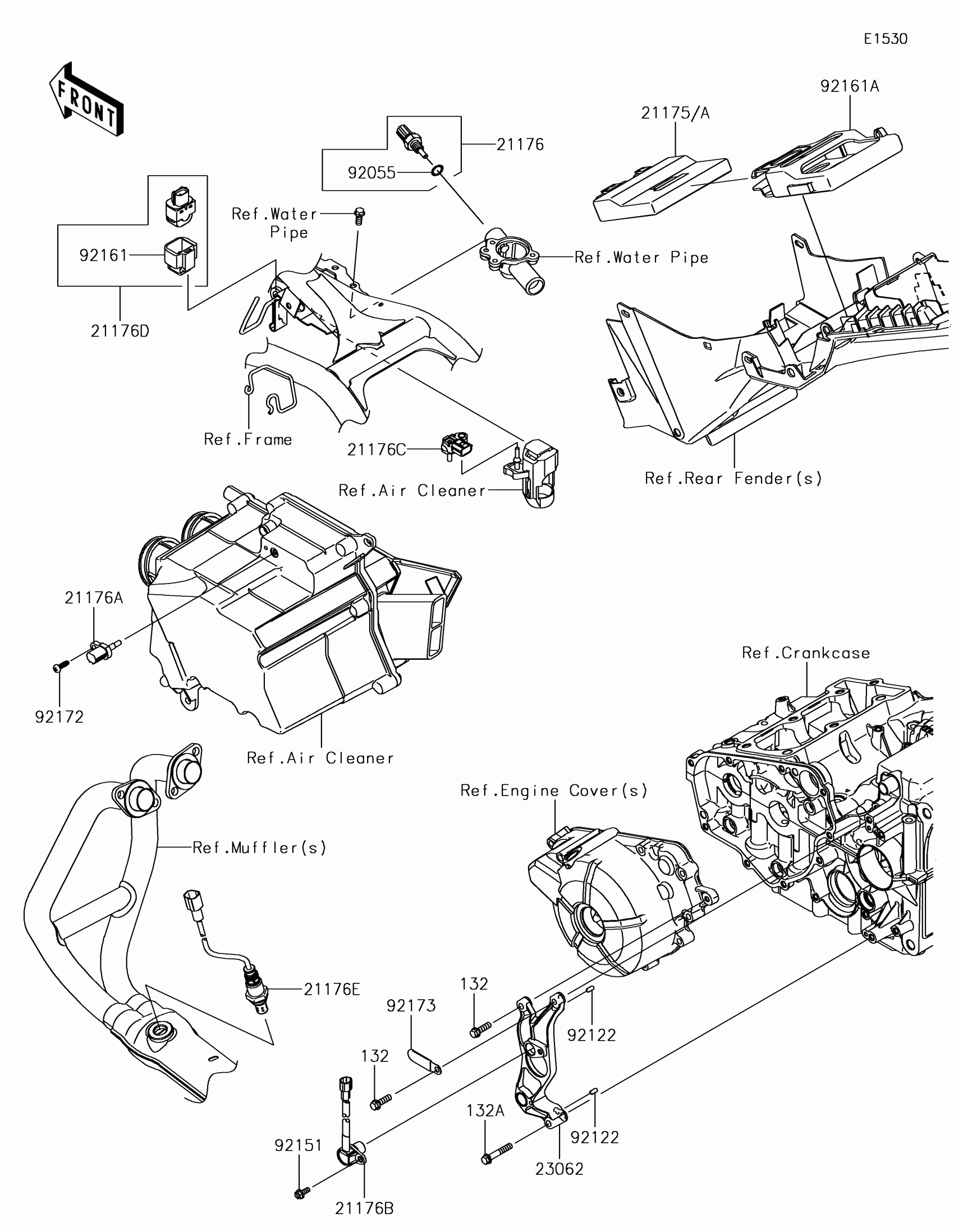
Kawasaki Ninja® 300 Fuel Injection Diagram

#

Description
Price

21175

CONTROL UNIT-ELECTRONIC

21175-0793

$689.69

21176

SENSOR,WATER TEMP

21176-0009

$69.24

21176A

SENSOR,AIR TEMPERATURE

21176-0048

$26.91

21176B

SENSOR,SPEED

21176-0065

$131.52

21176C

SENSOR,PRESSURE

21176-0111

$222.28

21176D

SENSOR,VEHICLE-DOWN

21176-0704

$90.72

23062

BRACKET-COMP

23062-0741

$36.70

92055

RING-O,9.5X1.9

92055-0016

$8.89

92122

ROLLER,4X8

92122-0557

$1.19

92151

BOLT,FLANGED,5X12

92151-1305

$1.59

92161

DAMPER

92161-0951

$14.90

92161A

DAMPER,ECU

92161-1426

$15.20

92172

SCREW,TAPPING,5X16

92172-0790

$0.85

92173

CLAMP,L=45

92173-0194

$5.69

132

BOLT-FLANGED-SMALL,6X20

132BA0620

$2.49

132A

BOLT-FLANGED-SMALL,6X35

132BA0635

$2.06