Partiron

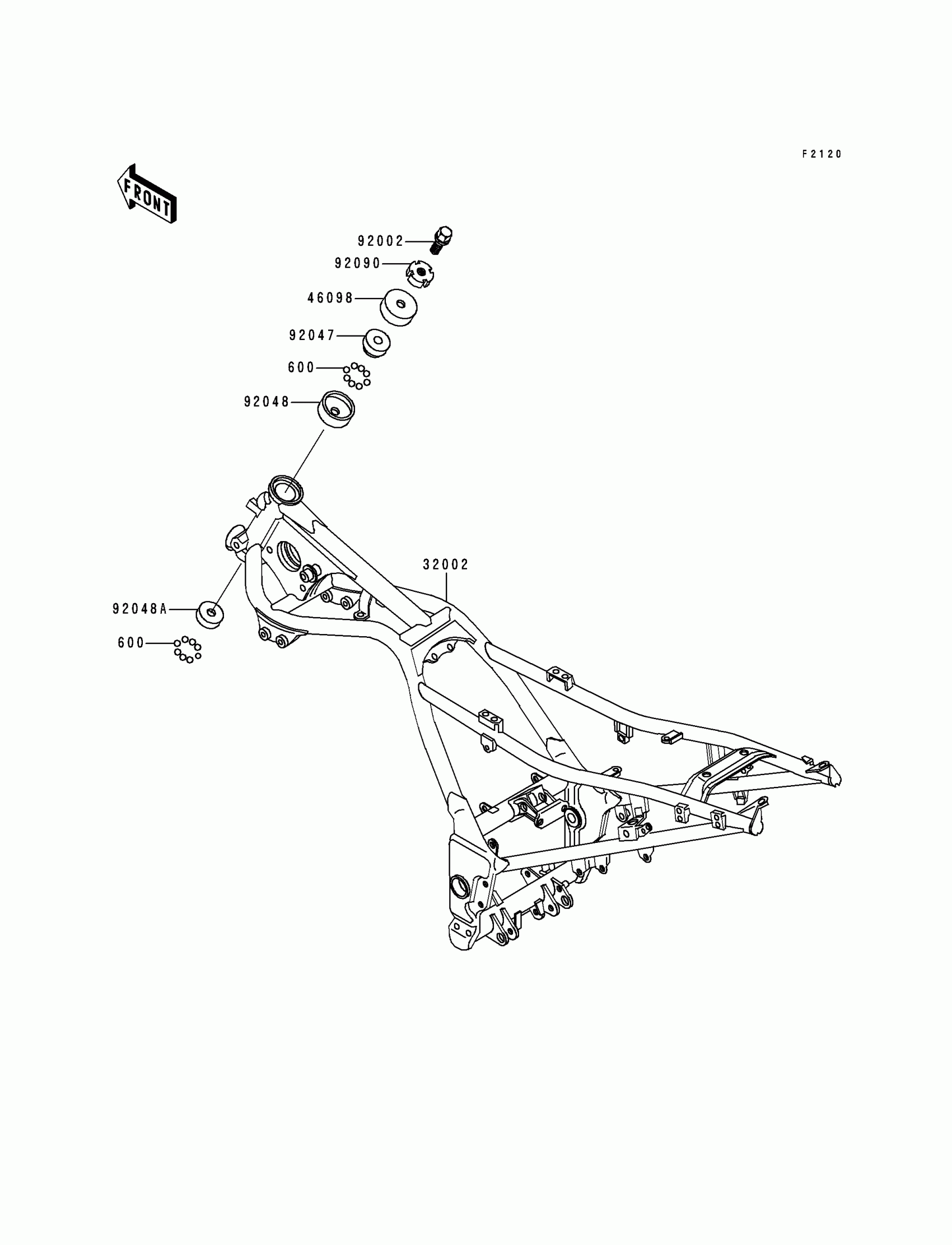
Kawasaki Ninja® 250R FRAME Diagram

#

Description
Price

11012

CAP,STEERING STEM

46098-016

$6.51

32002

FRAME-COMP

32002-1896

$887.75

92001

BOLT,FLANGED,16X22

92001-1488

$22.30

92012

NUT,30MM

92090-007

$11.71

92048

RACE,STEERING STEM BEARING

92047-011

$14.60

92048A

RACE,STEERING STEM BEARING

92048-006

$11.61

92048B

RACE,STEERING STEM BEARING

92048-008

$16.02

600

BALL-STEEL,1/4

600A0800

$0.62