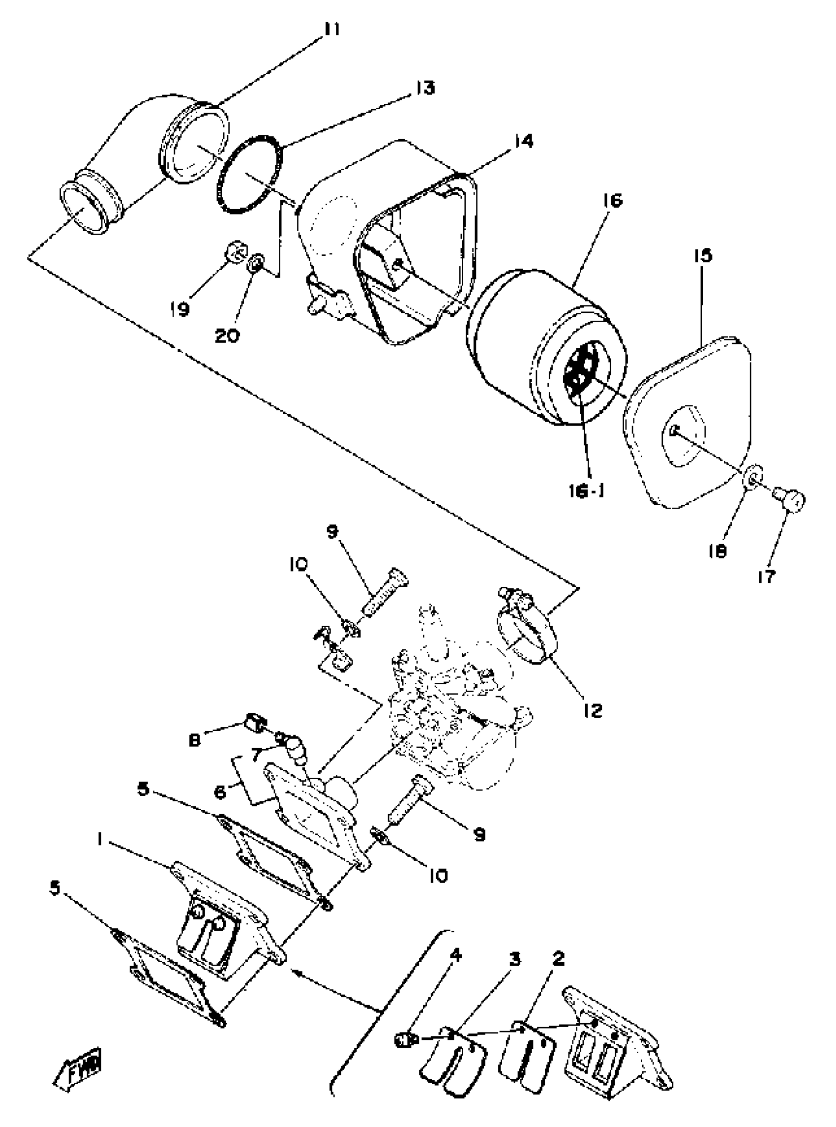
Yamaha MX80H (MX80) 1981 INTAKE Diagram
#
Description
Price
1
REED VALVE ASSEMBLY
353-13610-01-00
Unavailable
2
VALVE, REED
314-13613-01-00
Unavailable
3
. STOPPER, REED VALVE
10X-13616-00-00
Unavailable
6
JOINT, CARBURETOR (367-13565-00-98)
374-13565-00-00
Unavailable
7
NOZZLE
3XV-13741-00-00
Unavailable
10
WASHER, SPRING
92995-06100-00
Unavailable
12
CLAMP, HOSE
90460-33087-00
Unavailable
14
CASE, AIR CLEANER 1
367-14411-00-00
Unavailable
15
CAP, CLEANER CASE 1
2A3-14412-00-00
Unavailable
17
SCREW PAN HEAD
98580-06010-00
Unavailable
18
YBS66-6 WASHER, PLAIN
92990-06200-00
Unavailable
19
NUT, HEXAGON
95380-06600-00
Unavailable
20
WASHER, SPRING
92995-06100-00
Unavailable
