- Partiron
- OEM Parts
- Yamaha
- motorcycle
- 1981
- MX80H (MX80) 1981
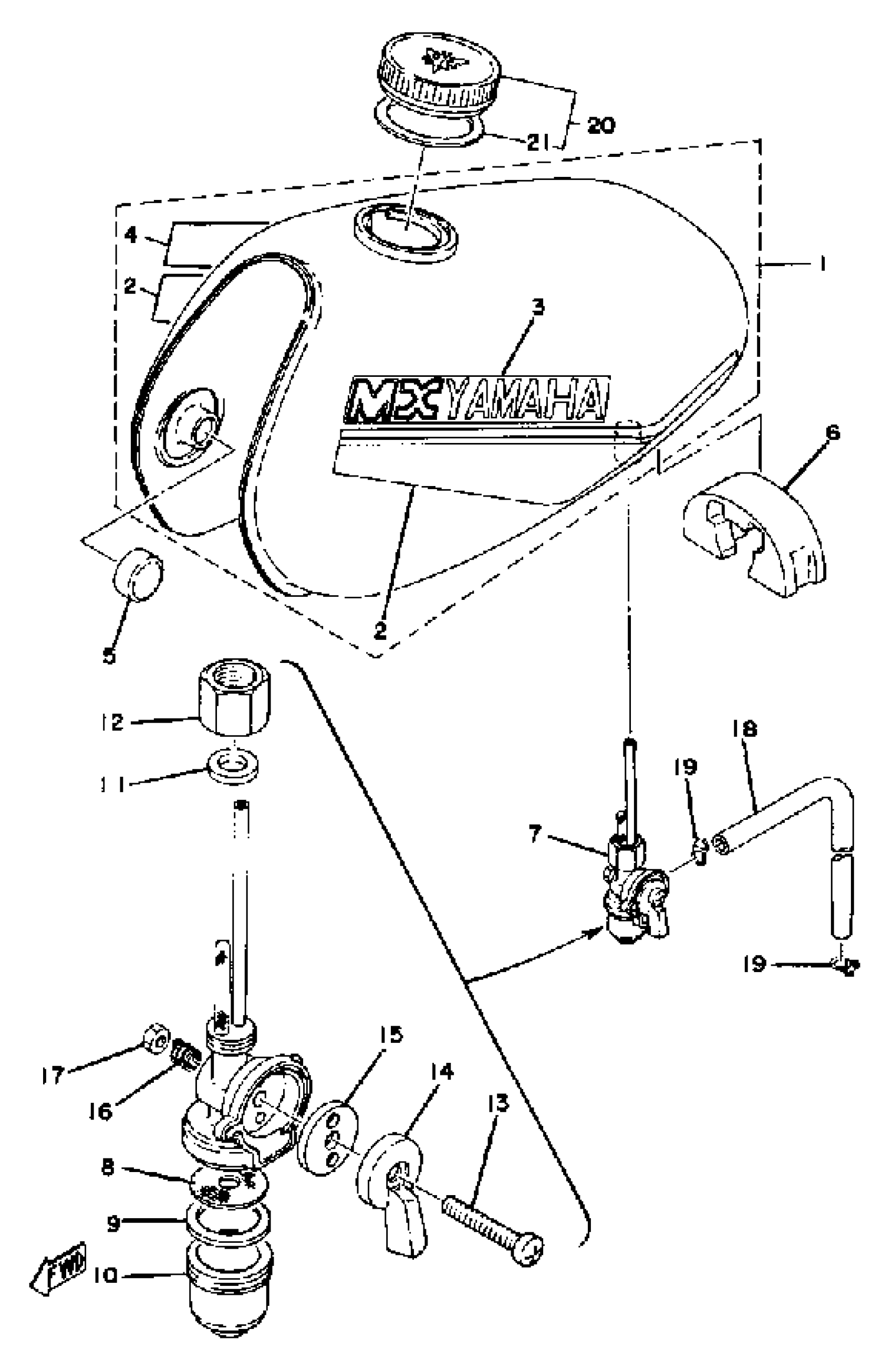
FUEL TANK
Yamaha MX80H (MX80) 1981 FUEL TANK Diagram
#
Description
Price
1
FUEL TANK
367-24110-Y0-W4
Unavailable
2
. GRAPHIC SET
367-24240-50-00
Unavailable
3
. GRAPHIC, FUEL TNK 3
367-24246-40-00
Unavailable
4
. GRAPHIC, FUEL TNK 4
367-24247-40-00
Unavailable
7
FUEL COCK ASSY
367-24500-04-00
Unavailable
8
. NET, FILTER 2
355-24515-00-00
Unavailable
10
. CUP, FILTER
122-24521-00-00
Unavailable
12
. NUT
603-24531-01-00
Unavailable
14
LEVER, COCK
(355-24524-01-00)
Unavailable
16
WASHER, WAVE
(355-24518-00-00)
Unavailable
17
NUT, HEXAGON (663)
95380-05600-00
Unavailable
18
HOSE (L420)
90445-092K1-00
Unavailable
19
CLIP 101235600
90467-08003-00
Unavailable
20
CAP ASSY
122-24610-01-00
Unavailable
21
PACKING, CAP
122-24612-01-00
Unavailable
