- Partiron
- OEM Parts
- Yamaha
- motorcycle
- 1981
- MX80H (MX80) 1981
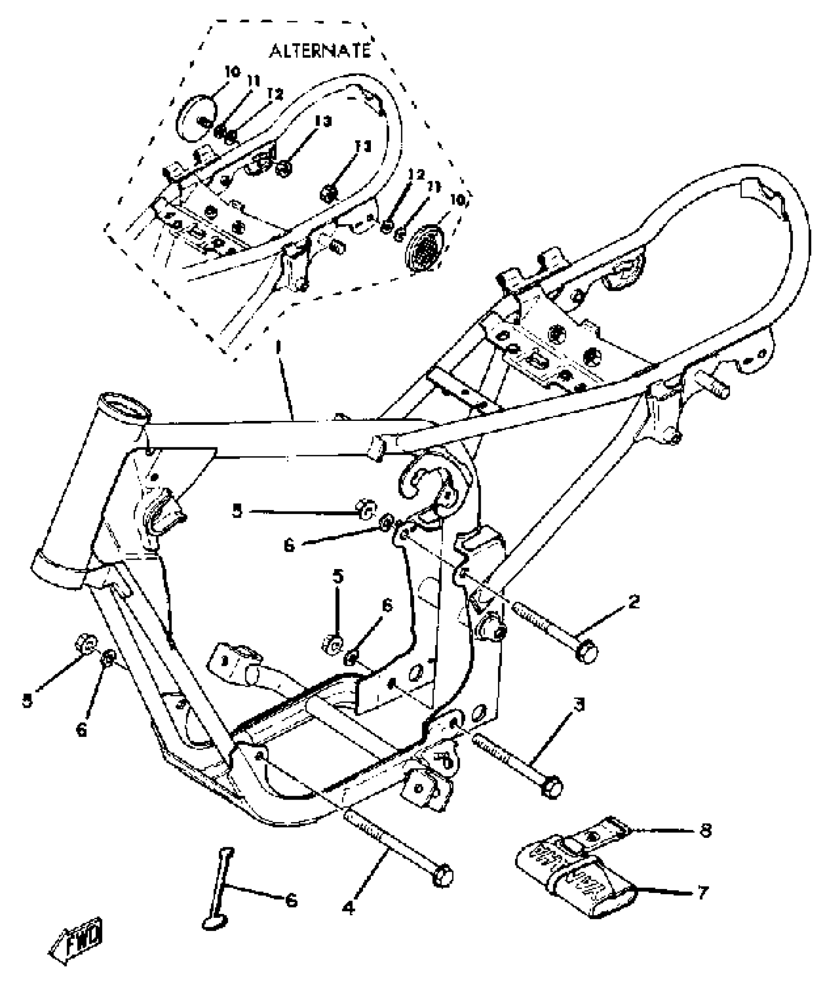
FRAME - TOOL
Yamaha MX80H (MX80) 1981 FRAME - TOOL Diagram
#
Description
Price
1
FRAME
(2A3-21110-00-33)
Unavailable
7
TOOL KIT
2U2-W2810-00-00
Unavailable
9
GAUGE, LEVEL
353-15361-00-00
Unavailable
12
. WASHER, PLAIN
92990-05200-00
Unavailable
