- Partiron
- OEM Parts
- Yamaha
- motorcycle
- 1981
- MX175H (MX175) 1981
STEERING
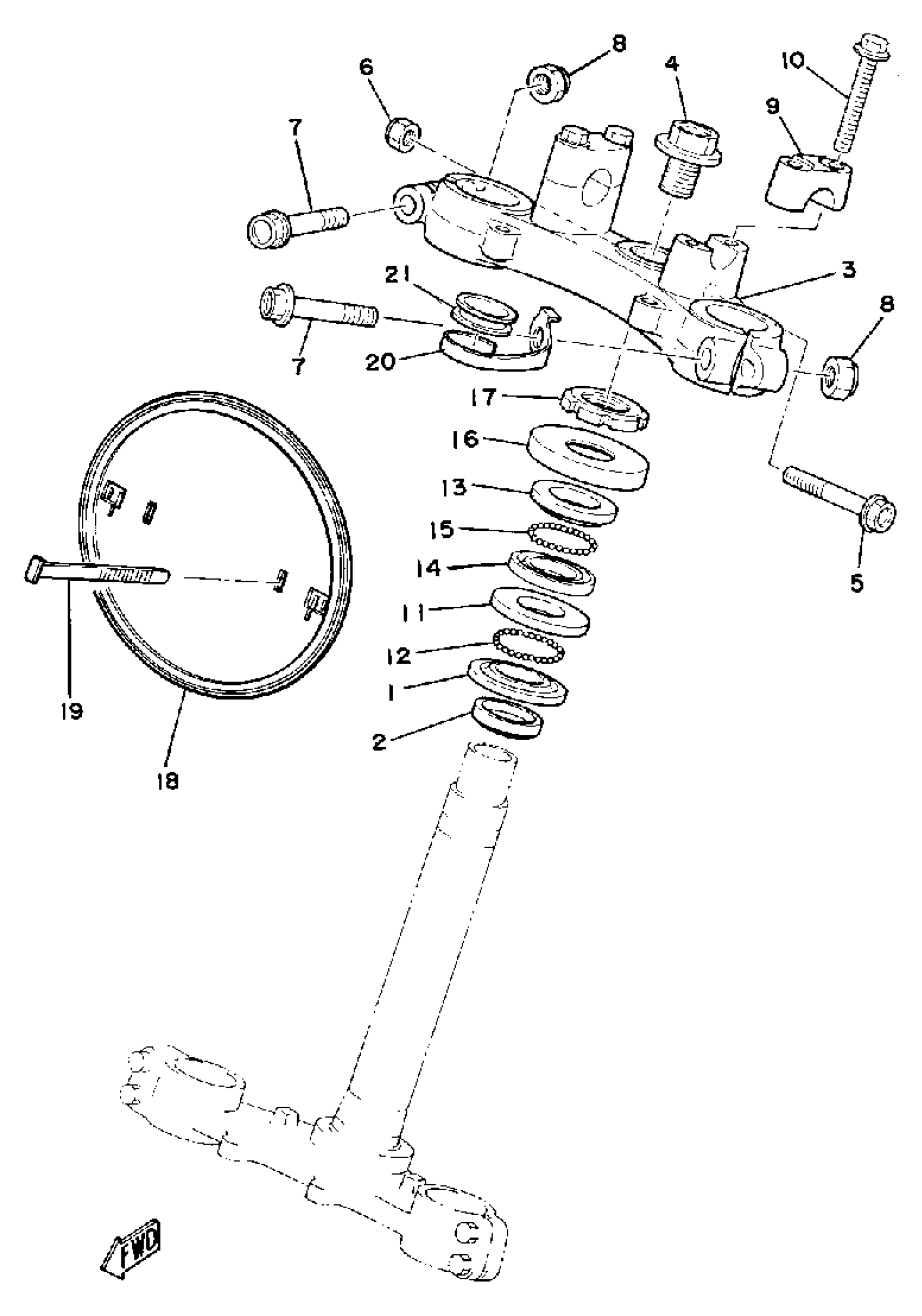
Yamaha MX175H (MX175) 1981 STEERING Diagram
#
Description
Price
3
CROWN, HANDLE
2N4-23435-00-98
Unavailable
16
COVER BALL RACE
10V-23416-01-00
Unavailable
17
NUT
90179-25004-00
Unavailable
18
. PLATE, NUMBER
3R0-23485-00-00
Unavailable
19
. BAND
2X4-23489-00-00
Unavailable
20
HOLDER, CABLE
2K5-23317-01-00
Unavailable
21
GUIDE, WIRE
1W1-23389-00-00
Unavailable
