- Partiron
- OEM Parts
- Yamaha
- motorcycle
- 1974
- MX175A (MX175) 1974
CARBURETOR
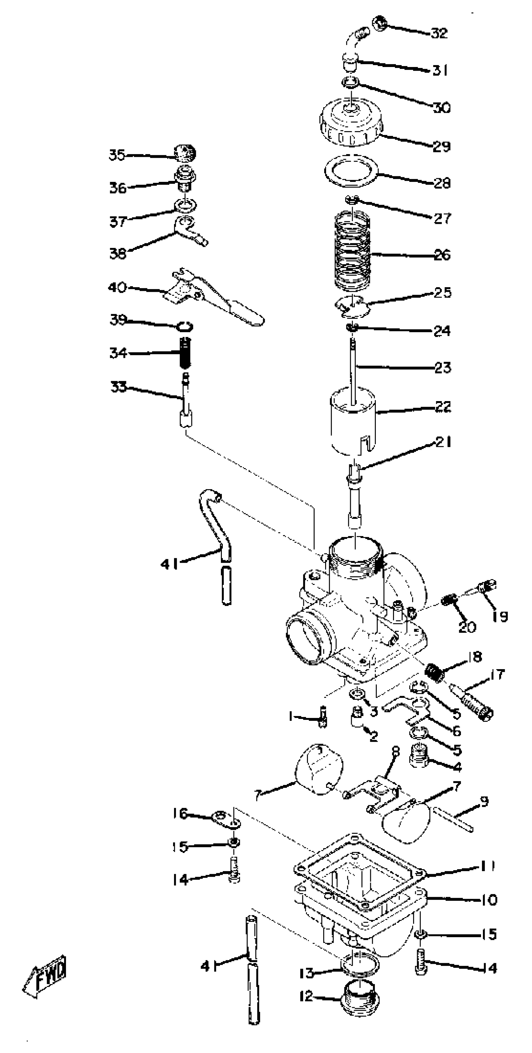
Yamaha MX175A (MX175) 1974 CARBURETOR Diagram
#
1
CARBURETOR ASSEMBLY 1
(455-14101-61-00)
Unavailable
2
JET, MAIN #140
137-14143-28-A0
Unavailable
3
WASHER, MAIN JET
(346-14153-70-00)
Unavailable
6
PLATE
(402-14146-00-00)
Unavailable
7
. FLOAT
280-14185-00-00
Unavailable
8
. ARM, FLOAT
280-14187-00-00
Unavailable
10
BODY, FLOAT CHMBR 1
(402-14181-08-33)
Unavailable
12
. PLUG, SCREW
(278-14115-00-00)
Unavailable
13
WASHER,SCREW PLUG
278-14117-00-00
Unavailable
14
SCREW, PAN HEAD(GA5)
98580-04014-00
Unavailable
15
YBS67-4 WASHER, SPRING
92990-04100-00
Unavailable
16
PLATE
132-14146-00-00
Unavailable
17
THROTTLE SCREW SET
23X-14103-00-00
Unavailable
18
SPRING, THROTTLE STOP
137-14133-00-00
Unavailable
19
AIR SCREW SET
23X-14104-00-00
Unavailable
20
SPRING, AIR ADJUSTING
127-14134-00-00
Unavailable
21
NOZZLE, MAIN
(278-14141-28-00)
Unavailable
22
. VALVE, THROTTLE 1
(360-14112-25-00)
Unavailable
23
. NEEDLE (5E14-2)
438-14116-04-00
Unavailable
24
CLIP
137-14137-00-00
Unavailable
25
. SEAT, SPRING 000
401-14136-00-00
Unavailable
26
SPRING, THROTTLE VALVE
248-14131-00-00
Unavailable
27
CLIP
363-14137-00-00
Unavailable
28
GASKET
246-14126-00-00
Unavailable
29
. TOP, MXXING CHAMBER
401-14158-00-00
Unavailable
30
GASKET
363-14198-00-00
Unavailable
31
. GUIDE, CABLE
363-14155-00-00
Unavailable
32
NUT, WIRE ADJUSTING
127-14161-00-00
Unavailable
33
. PLUNGER, STARTER
278-14171-00-00
Unavailable
34
. SPRING, PLUNGER
256-14135-00-00
Unavailable
35
. COVER, PLUNGER CAP
802-14173-00-00
Unavailable
36
. CAP, PLUNGER
(278-14174-00-00)
Unavailable
37
WASHER, STARTER LVR
(132-14179-00-00)
Unavailable
38
. PLATE, STARTER LVR
(402-14178-00-00)
Unavailable
39
O-RING (248)
93220-09001-00
Unavailable
40
. LEVER, STARTER LH
360-14175-00-00
Unavailable
41
PIPE, AIR VENT
183-14197-01-00
Unavailable
