- Partiron
- OEM Parts
- Yamaha
- motorcycle
- 1974
- MX125A (MX125) 1974
SHIFTER 1
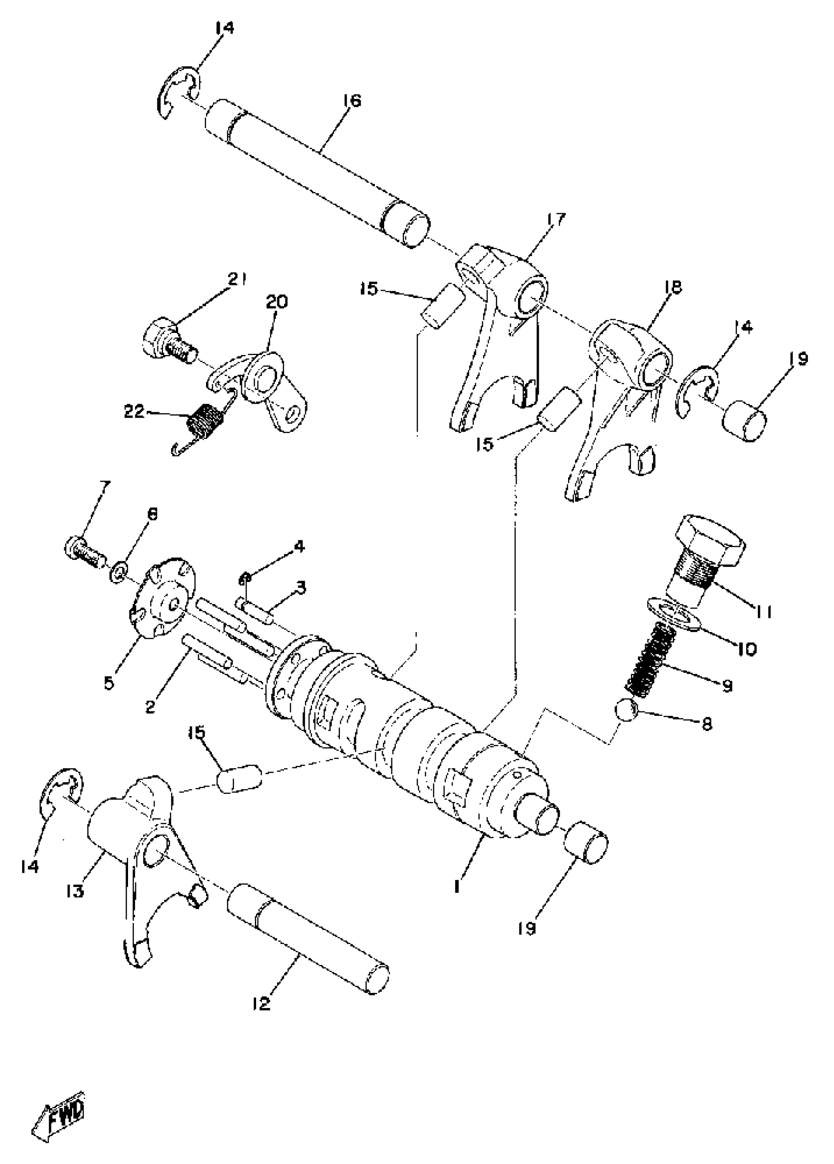
Yamaha MX125A (MX125) 1974 SHIFTER 1 Diagram
#
Description
Price
1
SHIFT CAM ASSY
401-18540-00-00
Unavailable
3
. PIN, SPEC''L SHAPE (174-18544-00)
90249-04039-00
Unavailable
4
. CIRCLIP, E-TYPE
93430-03014-00
Unavailable
9
SPRING, COMPRESION
90501-12750-00
Unavailable
15
PIN, STRAIGHT
90250-08017-00
Unavailable
16
BAR, SHIFT FORK GUIDE 1
214-18531-00-00
Unavailable
17
FORK, SHIFT 3
463-18513-00-00
Unavailable
18
FORK, SHIFT 1
463-18511-00-00
Unavailable
19
PLUG, BLIND
214-15385-00-00
Unavailable
20
STOPPER LEVER ASSY
132-18140-01-00
Unavailable
21
BOLT
90109-06239-00
Unavailable
22
SPRING, TENSION (260)
90506-09112-00
Unavailable
