- Partiron
- OEM Parts
- Yamaha
- motorcycle
- 1981
- MX100H (MX100) 1981
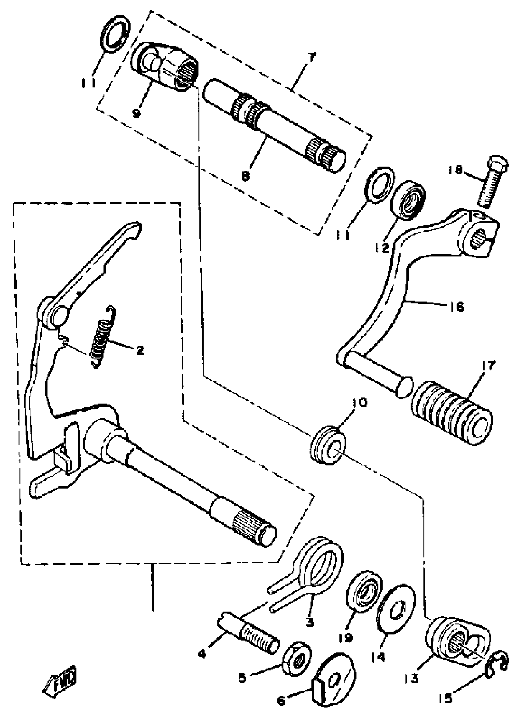
SHIFT SHAFT - PEDAL MX100H - J - K
Yamaha MX100H (MX100) 1981 SHIFT SHAFT - PEDAL MX100H - J - K Diagram
#
Description
Price
1
SHIFT SHAFT ASSEMBLY
558-18101-00-00
Unavailable
2
SPRING TENSION 132181230000
90506-09009-00
Unavailable
7
SHIFT SHAFT ASY 2
401-18102-02-00
Unavailable
8
SHAFT,SHIFT 2
401-18155-02-00
Unavailable
9
LEVER, SHIFT 3
401-18151-00-00
Unavailable
13
LEVER, CHANGE 4
401-18152-01-00
Unavailable
16
PEDAL, SHIFT
1X0-18111-00-00
Unavailable
17
COVER, CHANGE PEDAL
132-18113-01-00
Unavailable
18
BOLT, HEXAGON
97017-06020-00
Unavailable
19
OIL SEAL
93101-12173-00
Unavailable
