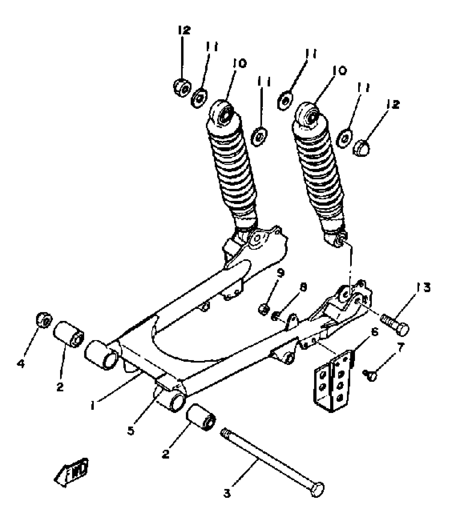
REAR ARM - SUSPENSION MX100H - J - K
#
1
1T9-22110-01-33
Unavailable
3
2J5-25381-01-00
Unavailable
6
492-22153-00-33
Unavailable
8
92995-06100-00
Unavailable
9
95380-06600-00
Unavailable
10
3UL-22210-00-33
Unavailable
12
95380-12800-00
Unavailable
13
90101-10776-00
Unavailable
Edit ride
