- Partiron
- OEM Parts
- Yamaha
- motorcycle
- 1981
- MX100H (MX100) 1981
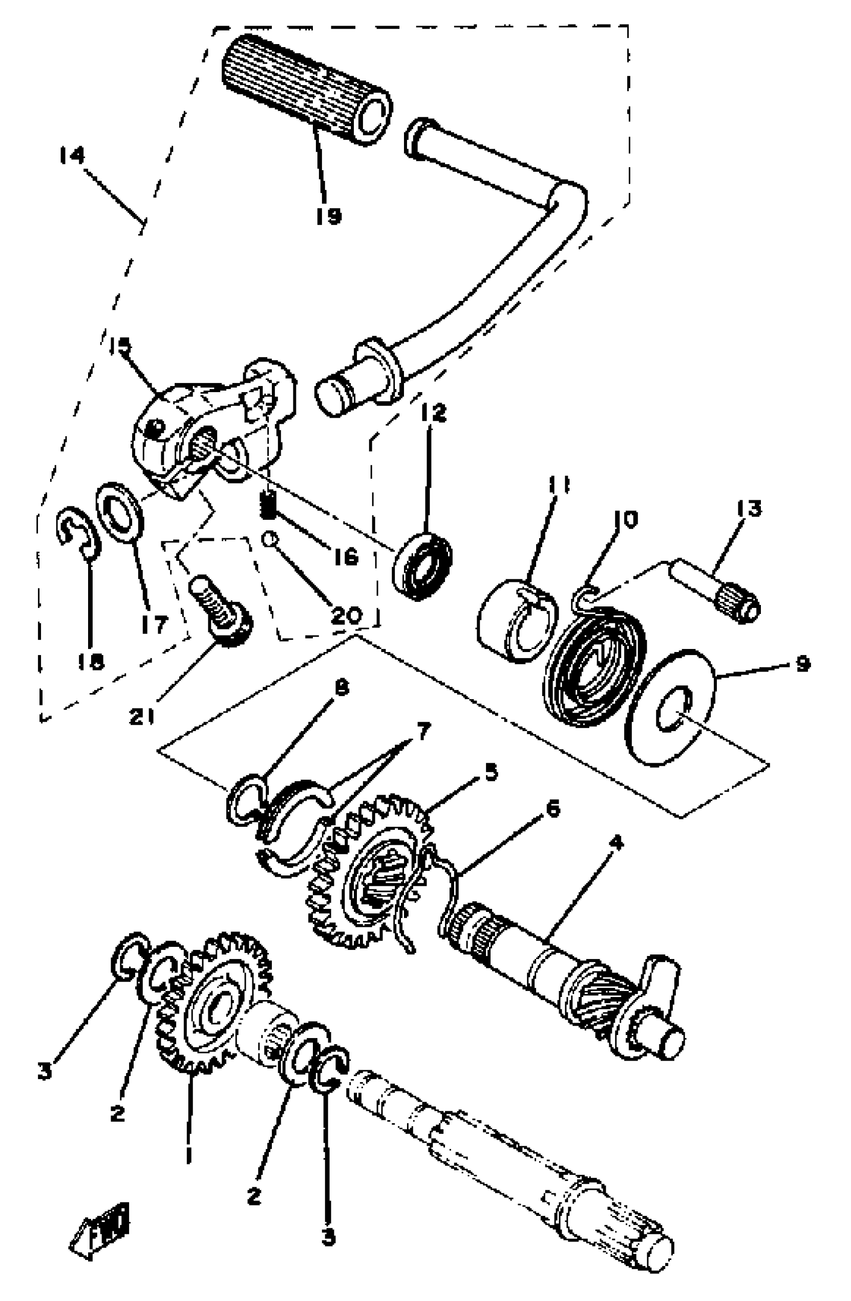
KICK STARTER MX100H - J - K
Yamaha MX100H (MX100) 1981 KICK STARTER MX100H - J - K Diagram
#
Description
Price
4
KICK AXLE ASY
403-15660-02-00
Unavailable
5
GEAR, KICK
315-15641-00-00
Unavailable
13
STOPPER, KICK SPRING
257-15668-00-00
Unavailable
14
KICK CRANK ASSEMBLY
3UL-15620-00-00
Unavailable
15
BOSS, KICK CRANK
1T9-15621-00-00
Unavailable
16
SPRING COMPRESSION278156220000
90501-12081-00
Unavailable
17
WASHER PLATE 278156130000
90201-15234-00
Unavailable
18
CIRCLIP
99006-10600-00
Unavailable
19
COVER, KICK LEVER
156-15618-01-00
Unavailable
20
BALL (12R)
93507-32031-00
Unavailable
21
BOLT, SOCKET
91317-08025-00
Unavailable
