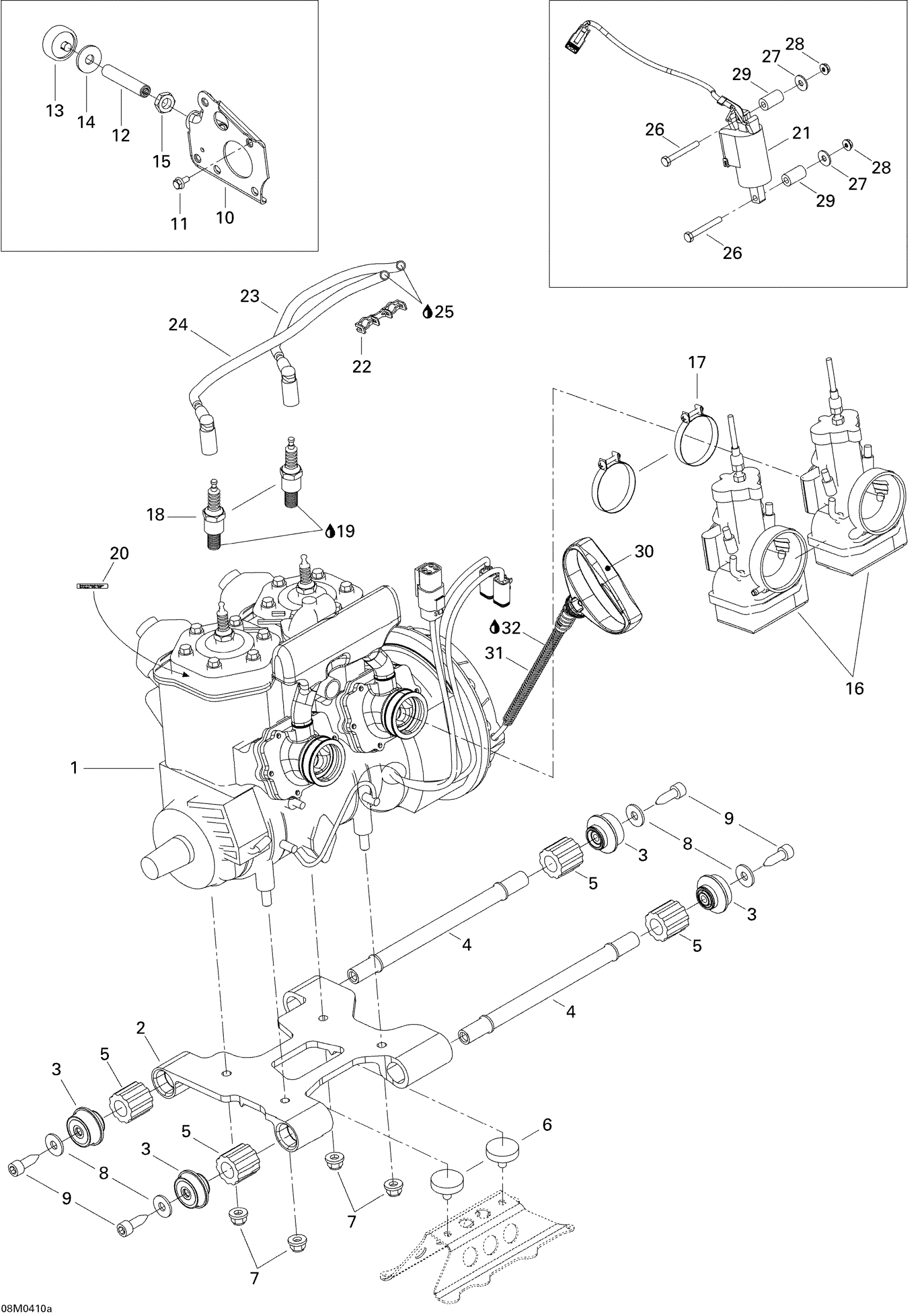
Ski-Doo MX Z X 440 Racing, 2004 Engine Assembly And Support Diagram
#
Description
Price
1
Engine 453 | C/U
400409432
Unavailable
Engine 453 | EUR
400409433
Unavailable
2
Engine Support
512059754
Unavailable
3
RUBBER MOUNT - Call your local BRP dealership
512059777
Unavailable
4
THREADED ROD - Call your local BRP dealership
512059776
Unavailable
5
Rubber Damper
512059781
Unavailable
9
Nylon Socket Screw M10 X 50
250000131
Unavailable
10
PLATE - Call your local BRP dealership
512059840
Unavailable
12
STOPPER SCREW - Call your local BRP dealership
250500007
Unavailable
13
STOPPER - Call your local BRP dealership
512059741
Unavailable
14
WASHER - Call your local BRP dealership
512059775
Unavailable
16
Carburator Tmx-34
403138765
Unavailable
Carb-Tmx-34 | Europe
403138771
Unavailable
20
Spark Plug Decal
516000986
Unavailable
21
IGNITION COIL - Call your local BRP dealership | Includes 23 to 26 / 500 SS & 600 H.O.
512059564
Unavailable
31
ROPE GUIDE - Call your local BRP dealership
512059535
Unavailable
32
OIL 2T CARB PREM. MINERAL 55 GAL/205L This part replaces 413803200.
779123
Unavailable
