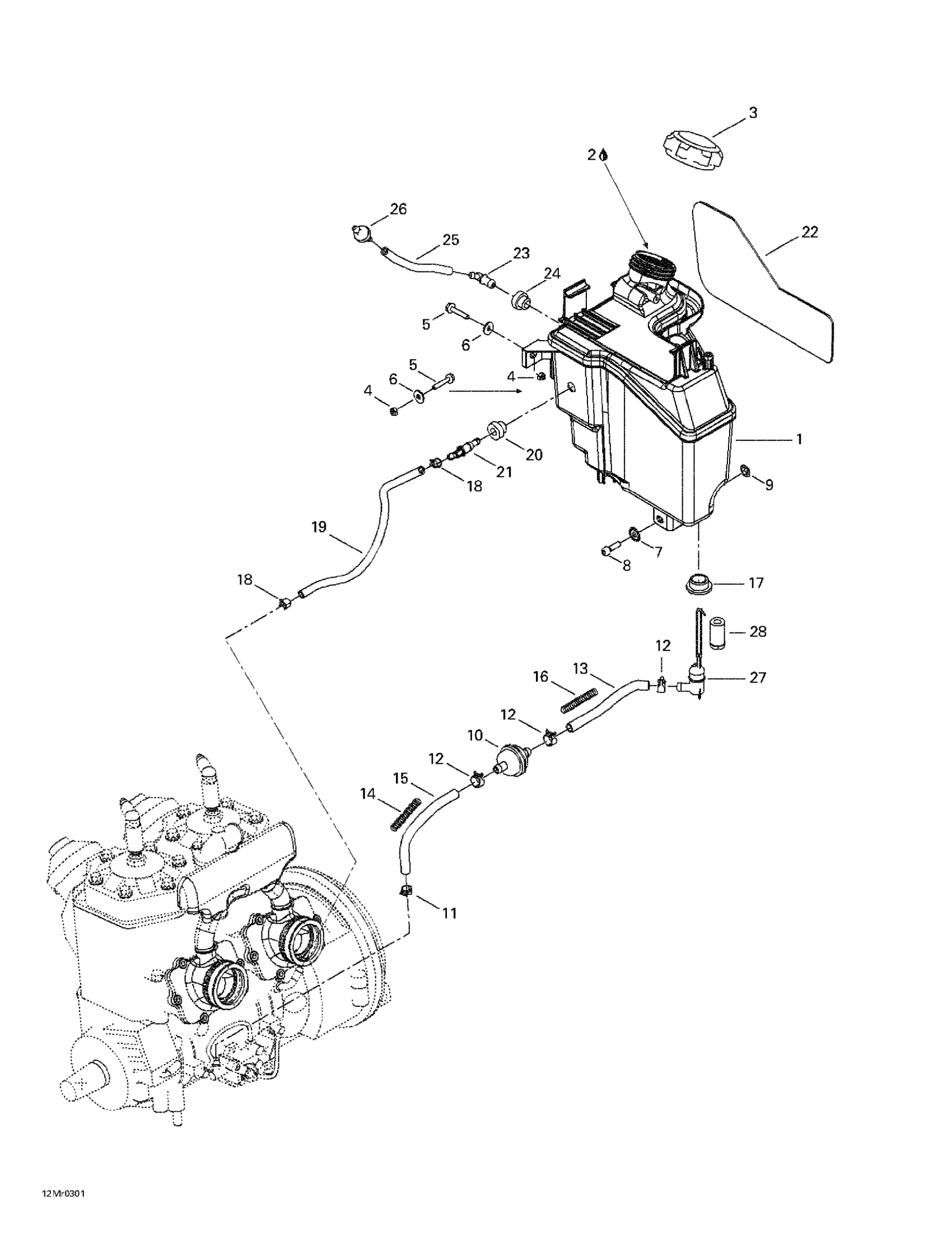
Ski-Doo MX Z Rev 600 HO/800/007 Special Edition, 2003 Oil Tank Diagram
#
Description
Price
1
OIL TANK - Call your local BRP dealership
519000067
Unavailable
2
OIL PRE-MIX 12 X 500ML - Call your local BRP dealership This part replaces 413803100.
293600120
Unavailable
OIL 2T CARB PREM. MINERAL 55 GAL/205L This part replaces 413803200.
779123
Unavailable
OIL 2T 3X1G SYNTH - Call your local BRP dealership This part replaces 293600046.
293600133
Unavailable
OIL 2T E-TEC SYNTHETIC 55 GAL/205L This part replaces 293600047.
779130
Unavailable
OIL 2T 12X1 SYNTH - Call your local BRP dealership This part replaces 293600045.
293600132
Unavailable
3
CAP - Call your local BRP dealership
519000033
Unavailable
14
SPRING - Call your local BRP dealership
519000064
Unavailable
16
SPRING - Call your local BRP dealership
519000065
Unavailable
22
REFLECTIVE SHEET - Call your local BRP dealership
519000054
Unavailable
27
LEVEL SWITCH - Call your local BRP dealership | Canada / U.S.A
414681800
Unavailable
28
Float
414681900
Unavailable
