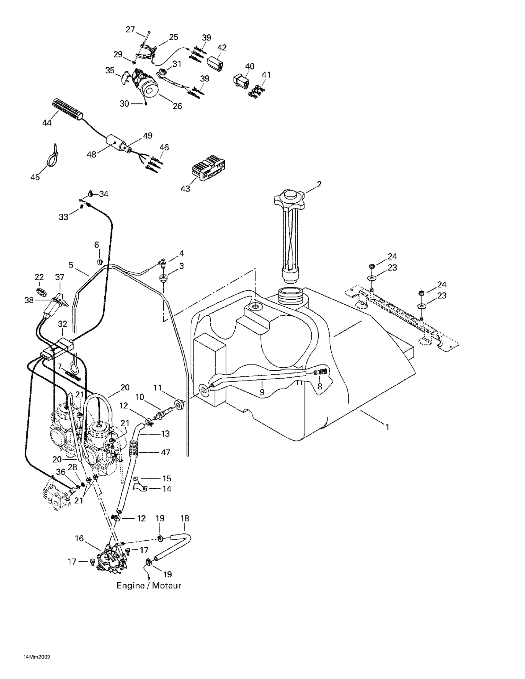
Ski-Doo MX Z 600 SB Black, 2000 Fuel System Diagram
#
Description
Price
1
Fuel Tank
513032987
Unavailable
6
TUBE CLAMP - Call your local BRP dealership
513032923
Unavailable
7
SPRING - Call your local BRP dealership
414818200
Unavailable
12
UNIVERSAL SPRING CLAMP - Call your local BRP dealership
513032979
Unavailable
14
CLIP - Call your local BRP dealership
415018200
Unavailable
16
Fuel Pump | MX-Z 500.
403901800
Unavailable
17
HEX. SCREW M6 X 12 - Call your local BRP dealership
210361280
Unavailable
20
Tube
415117800
Unavailable
22
PLASTIC NUT - Call your local BRP dealership
512059094
Unavailable
25
Handle Ass'y 40 mm | MX Z 700. MX Z 700 SB. MX Z 700 SB (Black). MX Z 700 SB Millennium Edition.
512059172
Unavailable
26
Throttle Handle Housing
572100900
Unavailable
31
Kill Switch
515175410
Unavailable
32
THROTTLE CABLE - Call your local BRP dealership
512059188
Unavailable
37
Choke Cable | Includes 12 - 13. Formula Deluxe 500.
512059203
Unavailable
38
Lock Washer, Interior Teeth
394103300
Unavailable
43
MALE TERMINAL HOUSING, 13 CIRCUITS - Call your local BRP dealership
515175352
Unavailable
48
GAINE LOW TEMP.VINYL - Call your local BRP dealership
515175314
Unavailable
