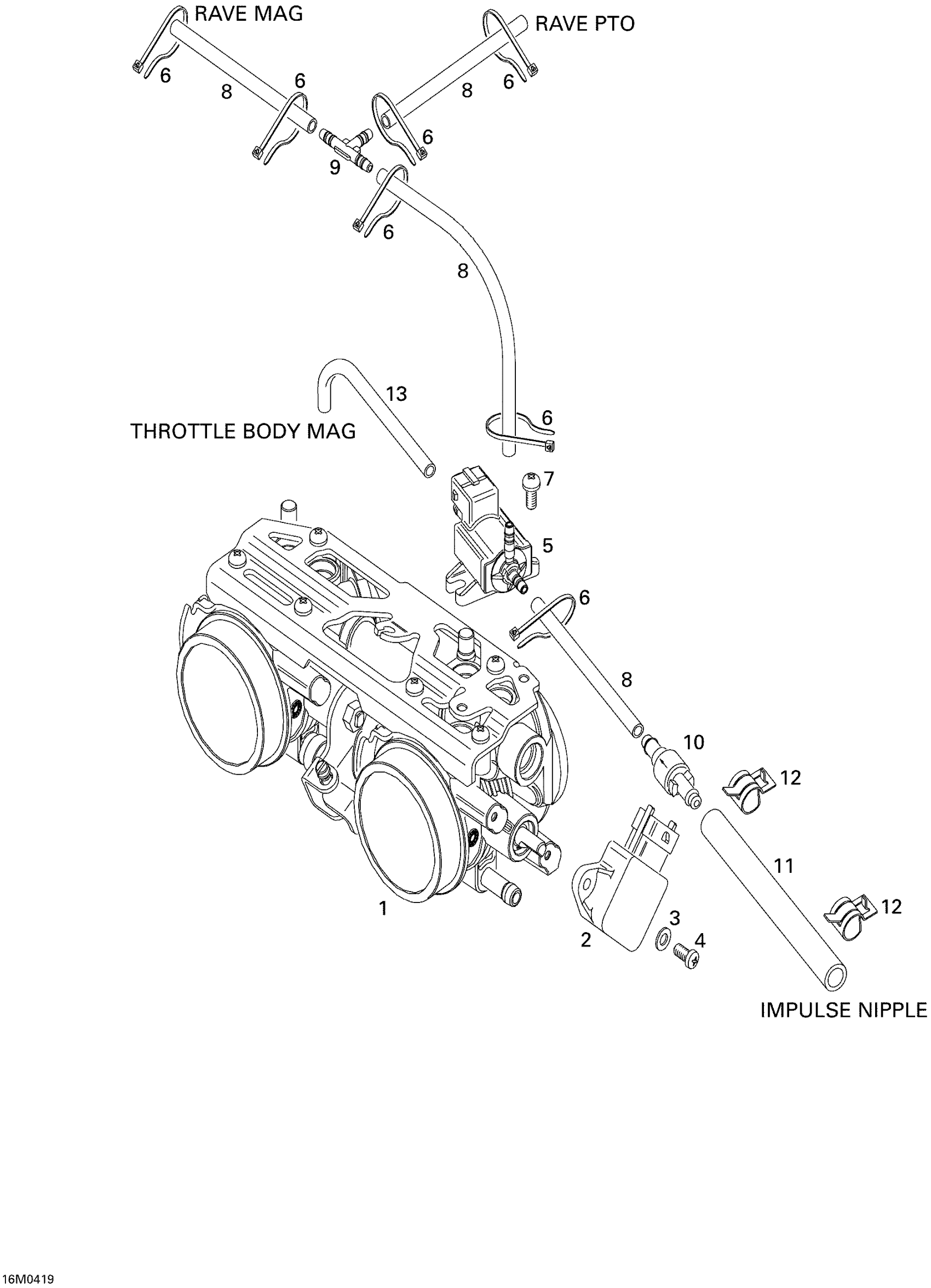
Ski-Doo MX Z 600 HO SDI Renegade, Early Intro, 2005 Throttle Body Diagram
#
Description
Price
1
Throttle Body
420889195
Unavailable
7
SCREW M5 X 10 - Call your local BRP dealership
420940011
Unavailable
10
CHECK VALVE - Call your local BRP dealership
275500479
Unavailable
11
PRESSURE LINE - Call your local BRP dealership
420660562
Unavailable
13
FORMED HOSE - Call your local BRP dealership
420660990
Unavailable
