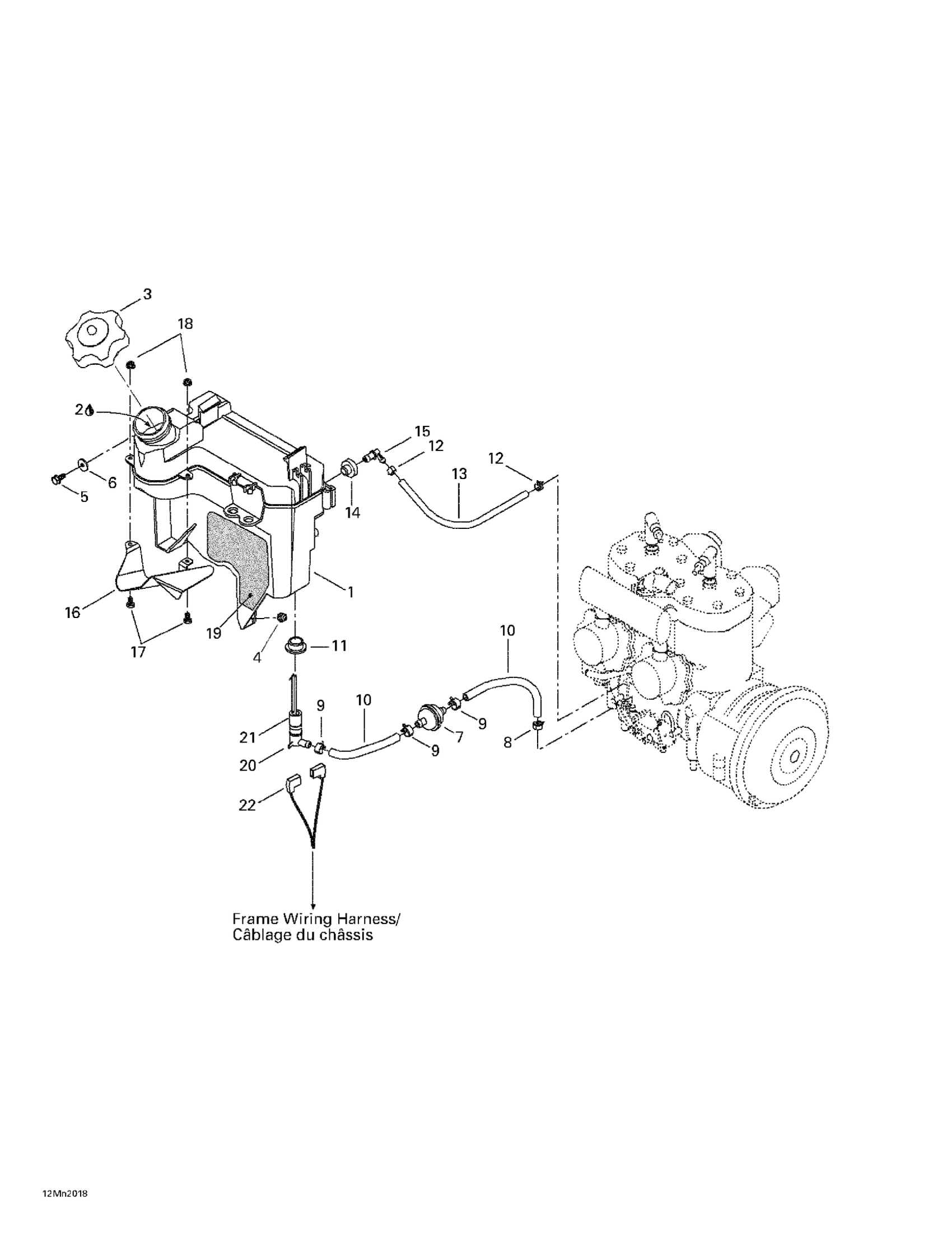
Ski-Doo MX Z 500 SB (black), 2000 Oil Tank Diagram
#
Description
Price
1
Oil Tank
519000028
Unavailable
2
OIL PRE-MIX 12 X 500ML - Call your local BRP dealership This part replaces 413803100.
293600120
Unavailable
OIL 2T CARB PREM. MINERAL 55 GAL/205L This part replaces 413803200.
779123
Unavailable
OIL 2T 3X1G SYNTH - Call your local BRP dealership This part replaces 293600046.
293600133
Unavailable
OIL 2T E-TEC SYNTHETIC 55 GAL/205L This part replaces 293600047.
779130
Unavailable
SYNTHETIC INJECTION OIL, 12 X 1 LITER - Call your local BRP dealership
413710500
Unavailable
3
Cap
519000017
Unavailable
16
Deflector
519000018
Unavailable
18
Elastic Flange Stop Nut M5
233251244
Unavailable
19
Reflective Sheet
519000023
Unavailable
20
LEVEL SWITCH - Call your local BRP dealership | Canada / U.S.A
414681800
Unavailable
21
Float
414681900
Unavailable
