Partiron

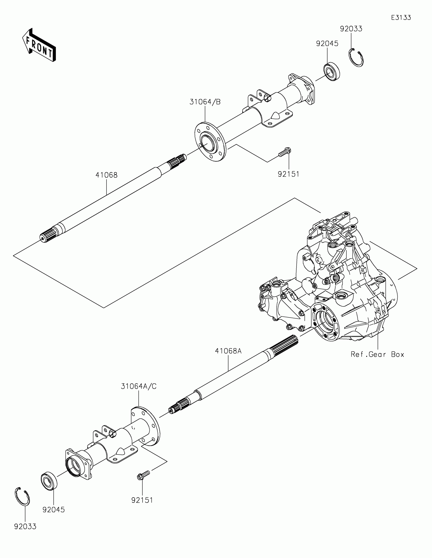
Kawasaki MULE SX™ 4x4 XC SE Rear Axle Diagram

#

Description
Price

31064B

PIPE-COMP,RH

31064-0709

$390.37

31064C

PIPE-COMP,LH

31064-0710

$390.37

41068

AXLE,RH

41068-0036

$246.62

41068A

AXLE,LH

41068-0037

$246.62

92033

RING-SNAP

92033-2149

$2.52

92045

BEARING-BALL,6205A26DDU2

92045-0044

$17.99

92151

BOLT,10X28

92151-2142

$3.75