Partiron

Kawasaki MULE SX™ 4x4 XC SE Cooling Diagram

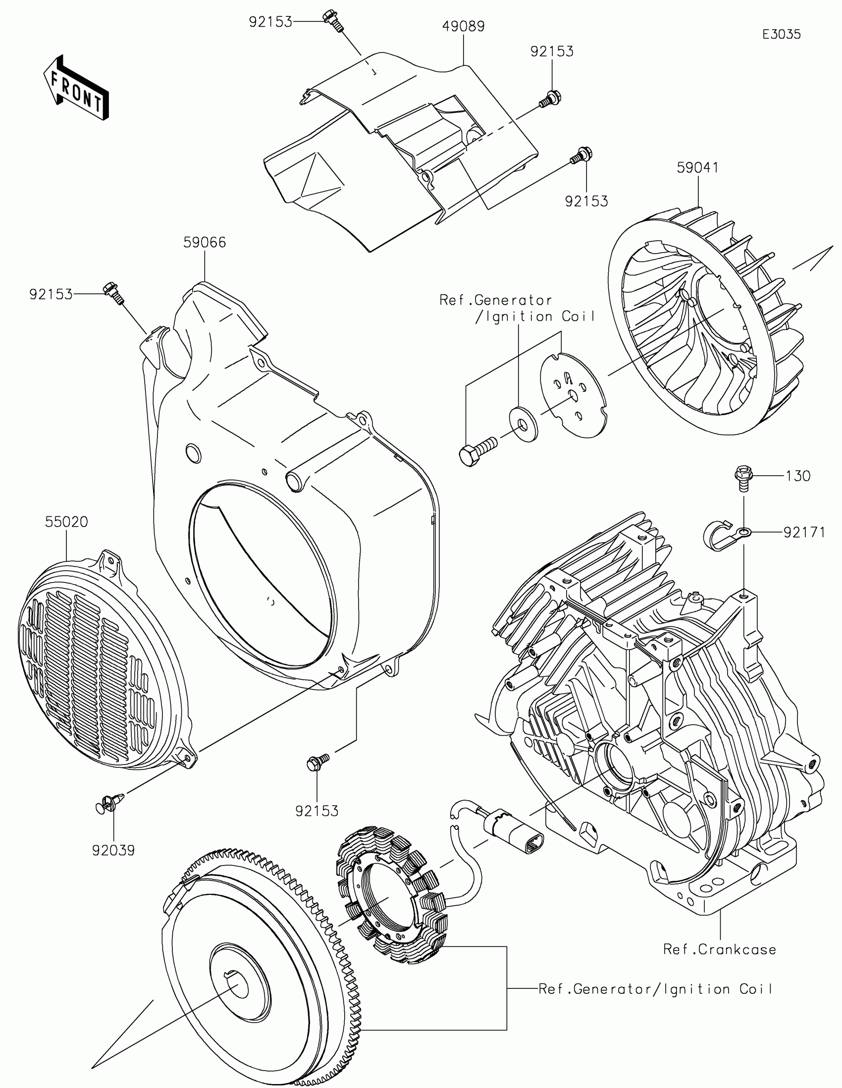
#

Description
Price

49089

SHROUD-ENGINE

49089-7089

$5.02

55020

GUARD

55020-7008

$7.96

59041

FAN

59041-0014

$15.22

59066

HOUSING-FAN

59066-7059

Unavailable

92039

RIVET,GUARD

92039-0751

$0.90

92153

BOLT,FLANGED,6X16

92153-7007

$3.62

92171

CLAMP

92171-7005

$6.75

130

BOLT-FLANGED,8X16

130AA0816

$0.85