- Partiron
- OEM Parts
- Kawasaki
- side-x-side
- 2025
- MULE SX™ 4x4 XC LE
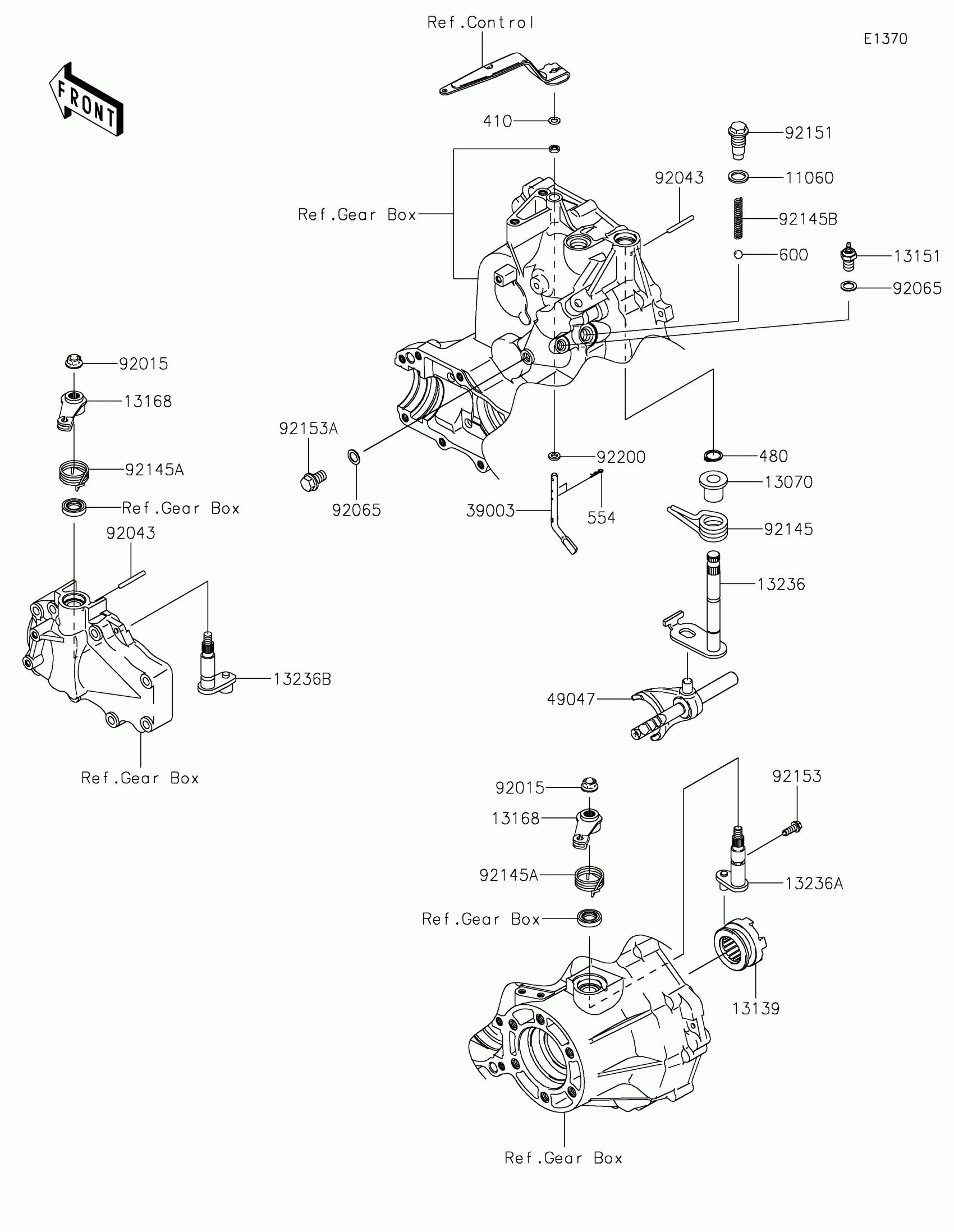
Gear Change Mechanism
Kawasaki MULE SX™ 4x4 XC LE Gear Change Mechanism Diagram
#
Description
Price
Gear Change Mechanism
#
Edit ride
