- Partiron
- OEM Parts
- Kawasaki
- side-x-side
- 2020
- MULE SX™ 4x4 XC LE FI
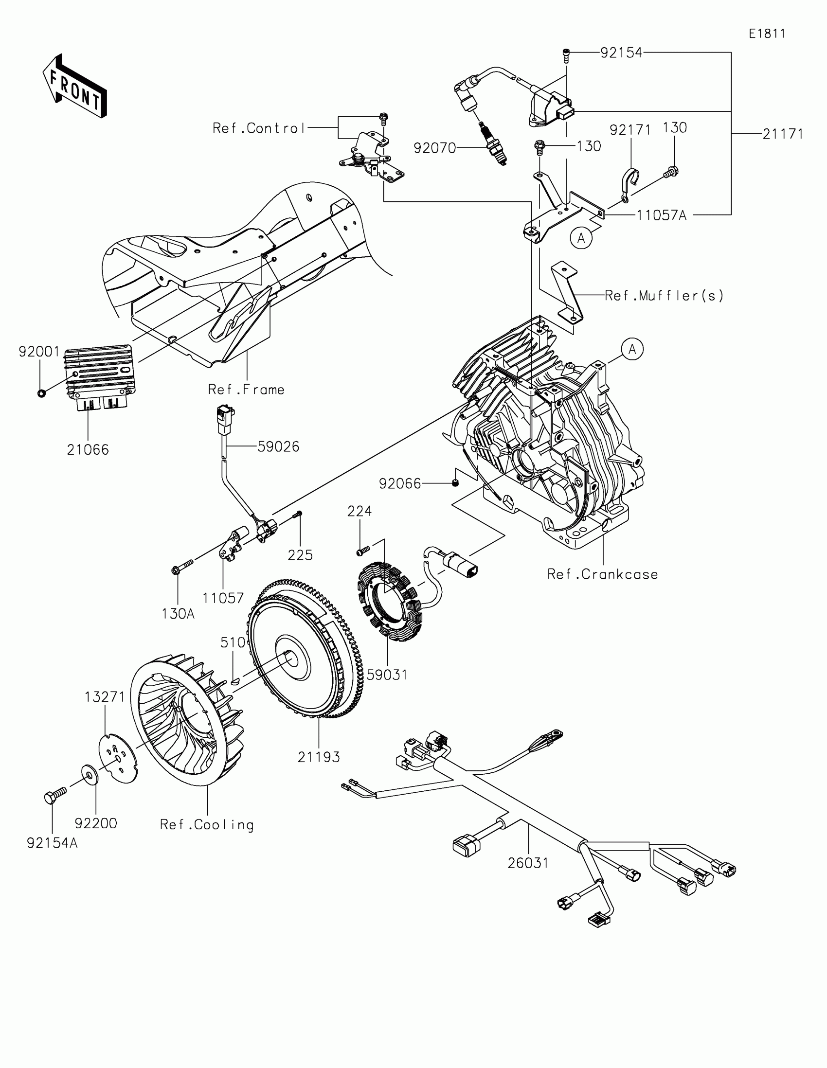
Generator/Ignition Coil
Kawasaki MULE SX™ 4x4 XC LE FI Generator/Ignition Coil Diagram
#
Description
Price
Generator/Ignition Coil
#
Edit ride
