Partiron

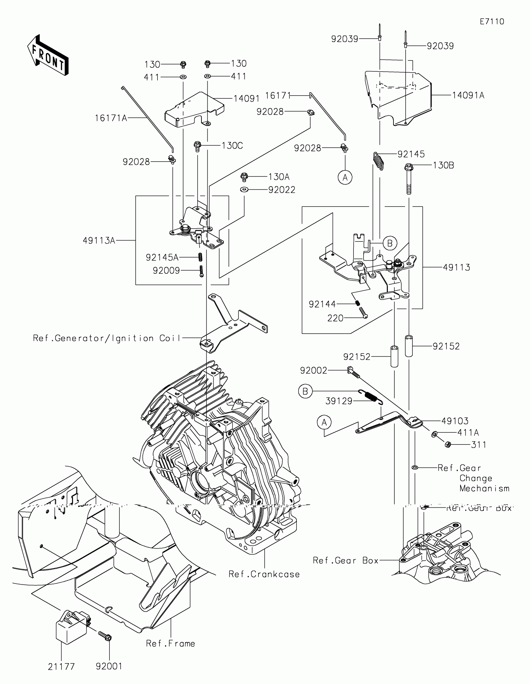
Kawasaki MULE SX™ 4x4 XC LE FI Control Diagram

#

Description
Price

14091

COVER,FR

14091-0401

$14.81

14091A

COVER,RR

14091-0402

$14.81

16171

LINK

16171-0007

$5.60

16171A

LINK,GOVERNOR

16171-0046

$13.34

21177

CONTROLLER

21177-0003

$158.79

39129

SPRING-GOVERNOR

39129-0006

$7.76

49103

ARM-GOVERNOR

49103-1055

$13.93

49113

PANEL-COMP-CONTROL

49113-0006

$100.60

49113A

PANEL-COMP-CONTROL

49113-0046

$30.50

92001

BOLT,FLANGED,6X22

92001-1352

$4.31

92002

BOLT,6X28

92002-2269

$1.49

92009

SCREW,4X30

92009-7002

$1.49

92022

WASHER,6.2X15X1.2

92022-2373

$1.49

92028

BUSHING,GOVERNOR

92028-2156

$2.38

92039

RIVET,BLIND,4.0X9.2

92039-1163

$3.07

92144

SPRING

92144-2266

$4.81

92145

SPRING,RETURN

92145-0301

$5.60

92145A

SPRING

92145-7005

$1.49

92152

COLLAR,9.1X13.95X42

92152-7501

$7.65

130

BOLT-FLANGED,5X8

130BA0508

$1.86

130A

BOLT-FLANGED,6X10

130BA0610

$1.49

130B

BOLT-FLANGED,8X60

130BA0860

$1.67

130C

BOLT-FLANGED,6X14

130BB0614

$2.49

220

SCREW-PAN-CROS,5X22

220AA0522

$1.49

311

NUT-HEX,6MM

311AA0600

$1.49

411

WASHER-PLAIN,5MM

411AA0500

$1.49

411A

WASHER-PLAIN,6MM

411AA0600

$2.92