Partiron

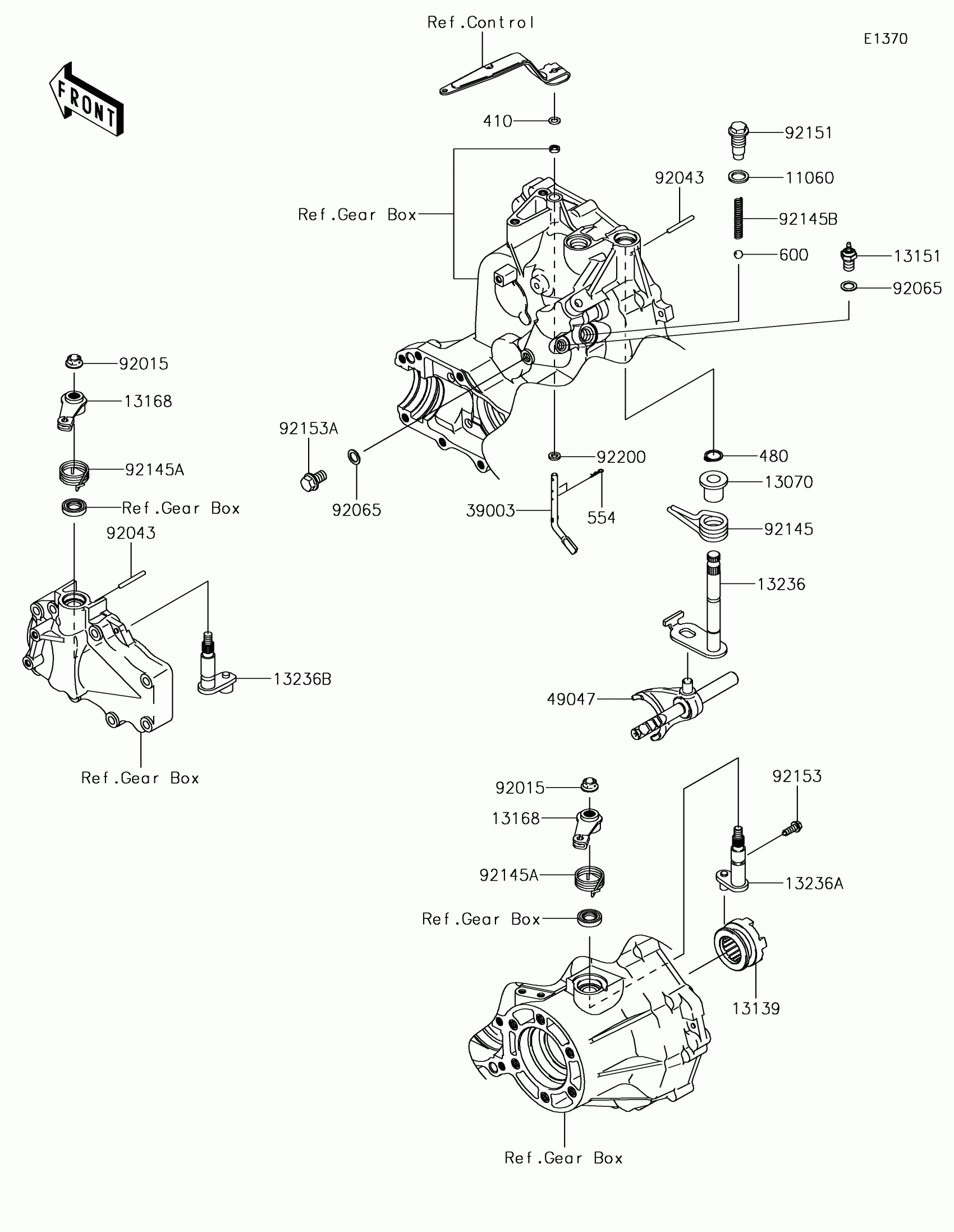
Kawasaki MULE SX™ 4x4 XC Gear Change Mechanism Diagram

#

Description
Price

11060

GASKET,14X20X2

11060-1287

$3.50

13070

GUIDE

13070-0030

$7.76

13139

SHIFTER,DIFF LOCK

13139-0008

$108.40

13151

SWITCH-COMP,NEUTRAL

13151-1080

$10.38

13168

LEVER,DIFF LOCK

13168-1523

$22.78

13236

LEVER-COMP,FR/RR

13236-0036

$45.39

13236A

LEVER-COMP,DIFF LOCK

13236-0037

$27.14

13236B

LEVER-COMP,2WD/4WD

13236-0168

$49.35

39003

ARM-PIVOT,GOVERNOR

39003-1053

$25.88

49047

ROD-SHIFT,FR/RR

49047-0013

$108.24

92015

NUT,FLANGED,8MM

92015-1406

$4.45

92043

PIN,4X34.8

92043-1579

$2.46

92065

GASKET,10.5X16X1

92065-058

$3.96

92145

SPRING

92145-0146

$7.76

92145A

SPRING

92145-0226

$4.55

92145B

SPRING,CHANGE POSITION

92145-1297

$2.39

92151

BOLT,CHANGE POSITION

92151-1687

$14.71

92153

BOLT,6X16.6

92153-0591

$3.90

92153A

BOLT,10X16

92153-0621

$2.97

92200

WASHER,6.5X11.5X2.0

92200-2029

$0.68

410

WASHER-PLAIN-SMALL

410AA0600

$1.31

480

CIRCLIP-TYPE-C,13MM

480J1300

$3.92

554

PIN-SNAP,1.2X21.2

554DA0600

$0.95

600

BALL-STEEL,5/16

600A1000

$0.73