- Partiron
- OEM Parts
- Kawasaki
- side-x-side
- 2020
- MULE SX™ 4x4 XC FI
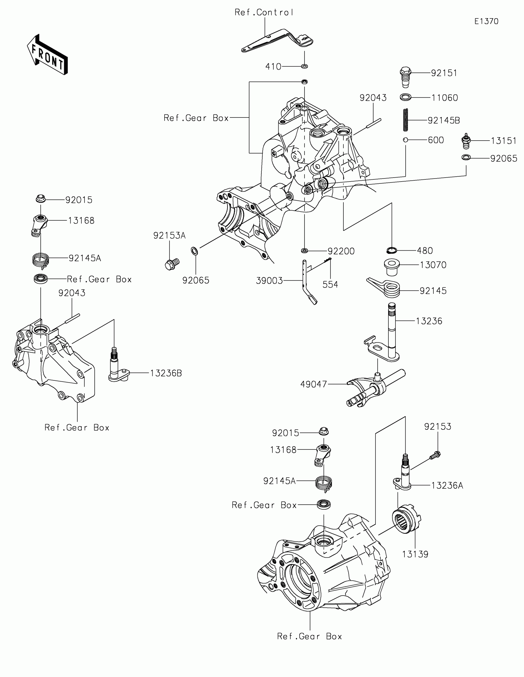
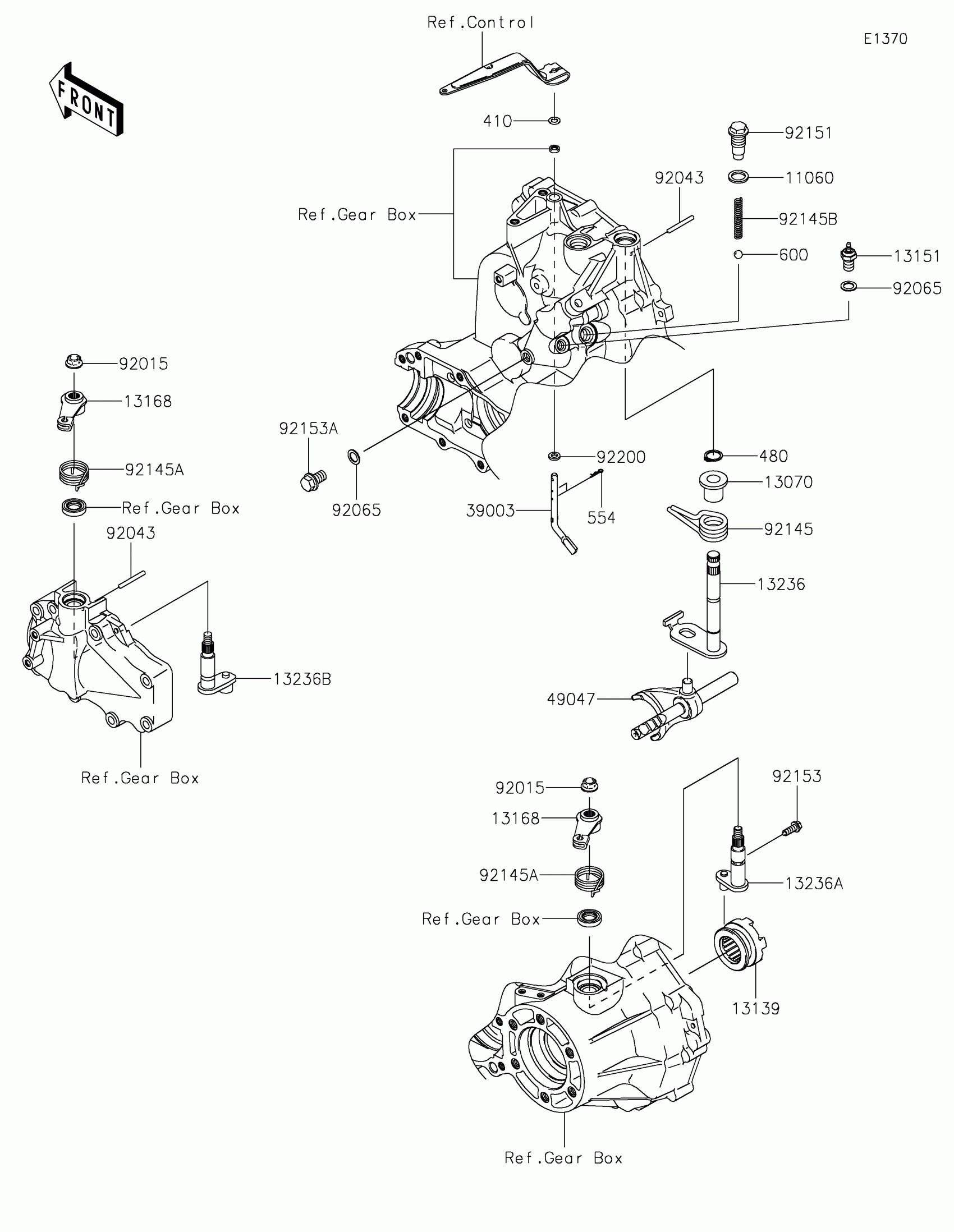
Gear Change Mechanism
Kawasaki MULE SX™ 4x4 XC FI Gear Change Mechanism Diagram
#
Description
Price
Gear Change Mechanism
#
Edit ride
