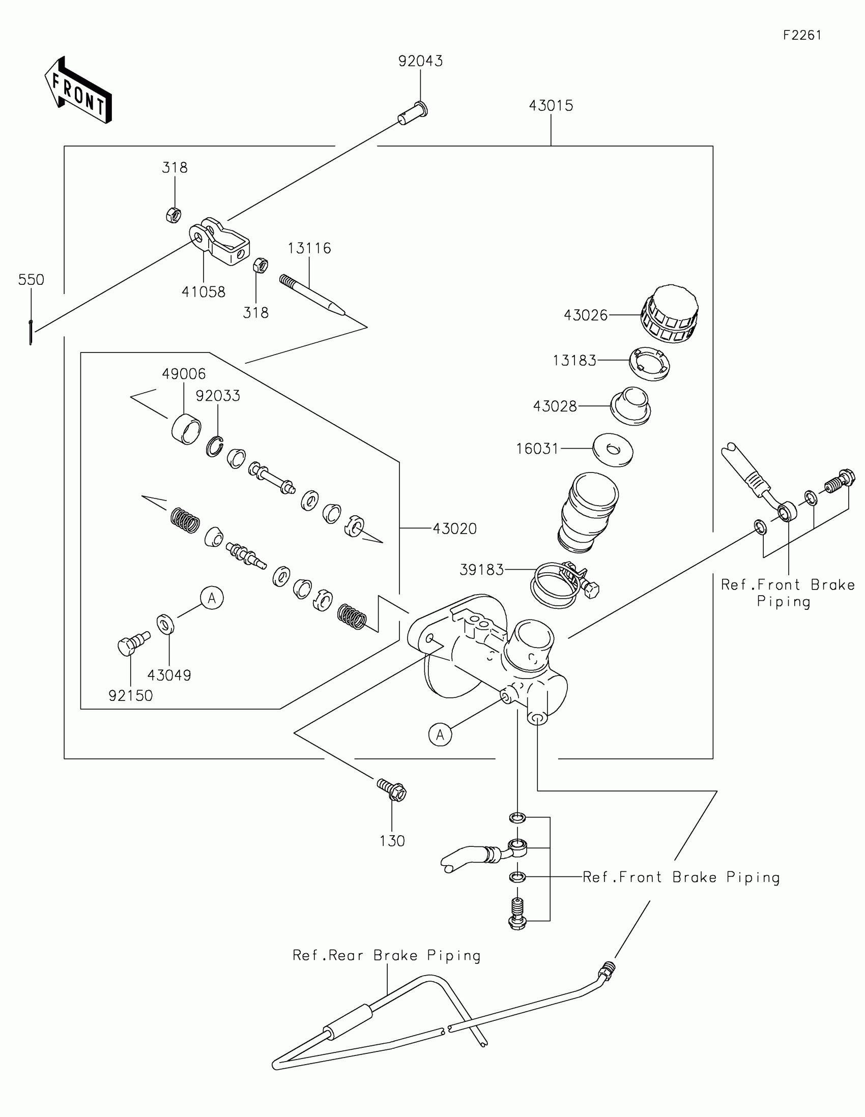
Partiron

Kawasaki MULE SX™ 4x4 FI Master Cylinder Diagram

#

Description
Price

13116

ROD-PUSH

13116-1134

$33.65

13183

PLATE

13183-1306

$4.39

16031

FLOAT

16031-1069

$7.60

39183

BAND-ASSY

39183-1055

$11.07

41058

RODEND-BRAKE

41058-1057

$17.48

43015

CYLINDER-ASSY-MASTER

43015-1683

$378.75

43020

PISTON-COMP-BRAKE

43020-1124

$77.01

43026

CAP-BRAKE

43026-1067

$26.91

43028

DIAPHRAGM

43028-1078

$15.87

43049

PACKING

43049-1065

$2.76

49006

BOOT

49006-1245

$7.60

92033

RING-SNAP

92033-1255

$3.54

92043

PIN

92043-1039

$9.91

92150

BOLT,STOP

92150-1165

$3.57

130

BOLT-FLANGED,8X20

130CA0820

$1.71

318

NUT-HEX-SMALL,8MM

318BA0800

$1.34

550

PIN-COTTER,2.5X18

550AA2518

$0.59