- Partiron
- OEM Parts
- Kawasaki
- side-x-side
- 2020
- MULE SX™ 4x4 FI
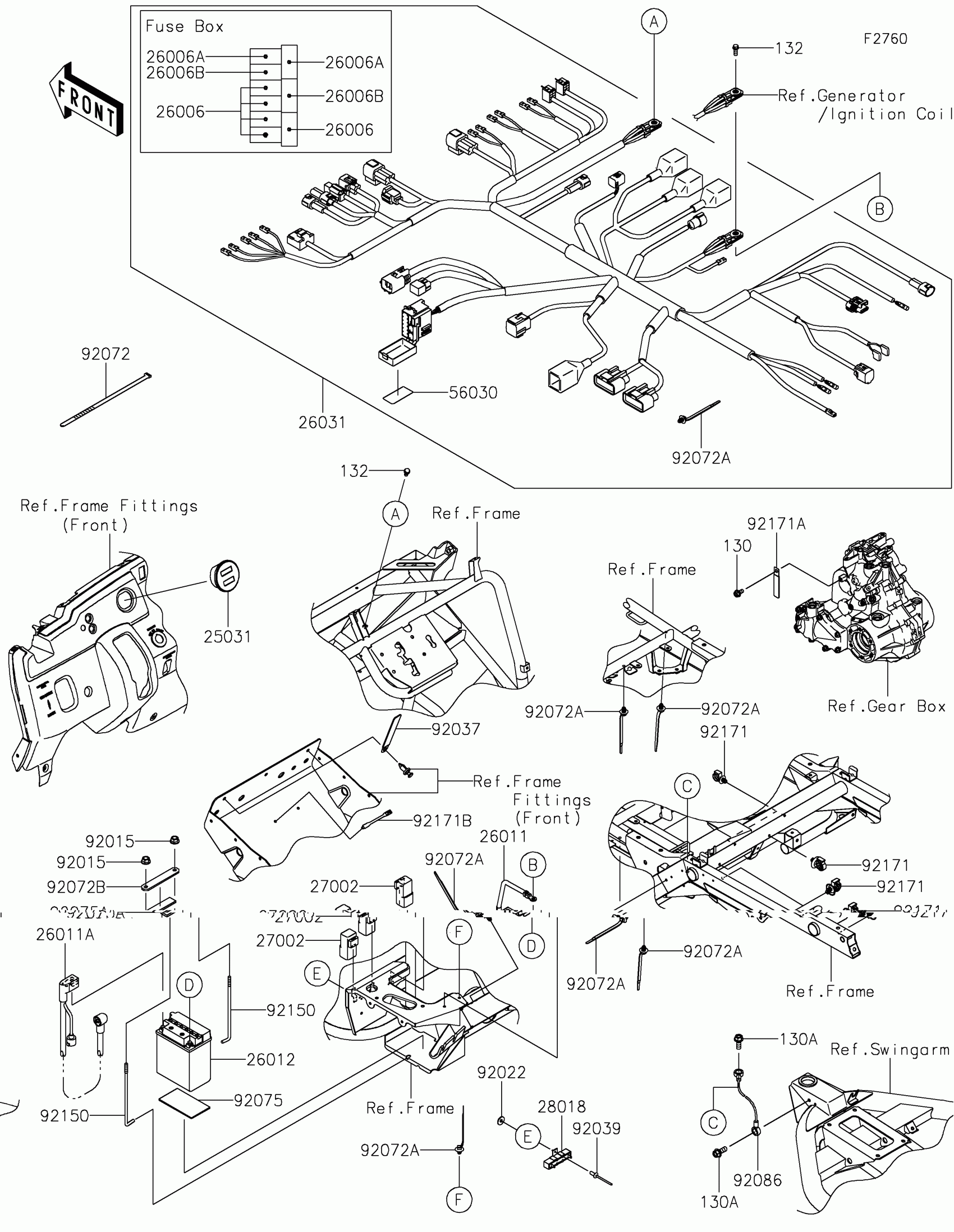
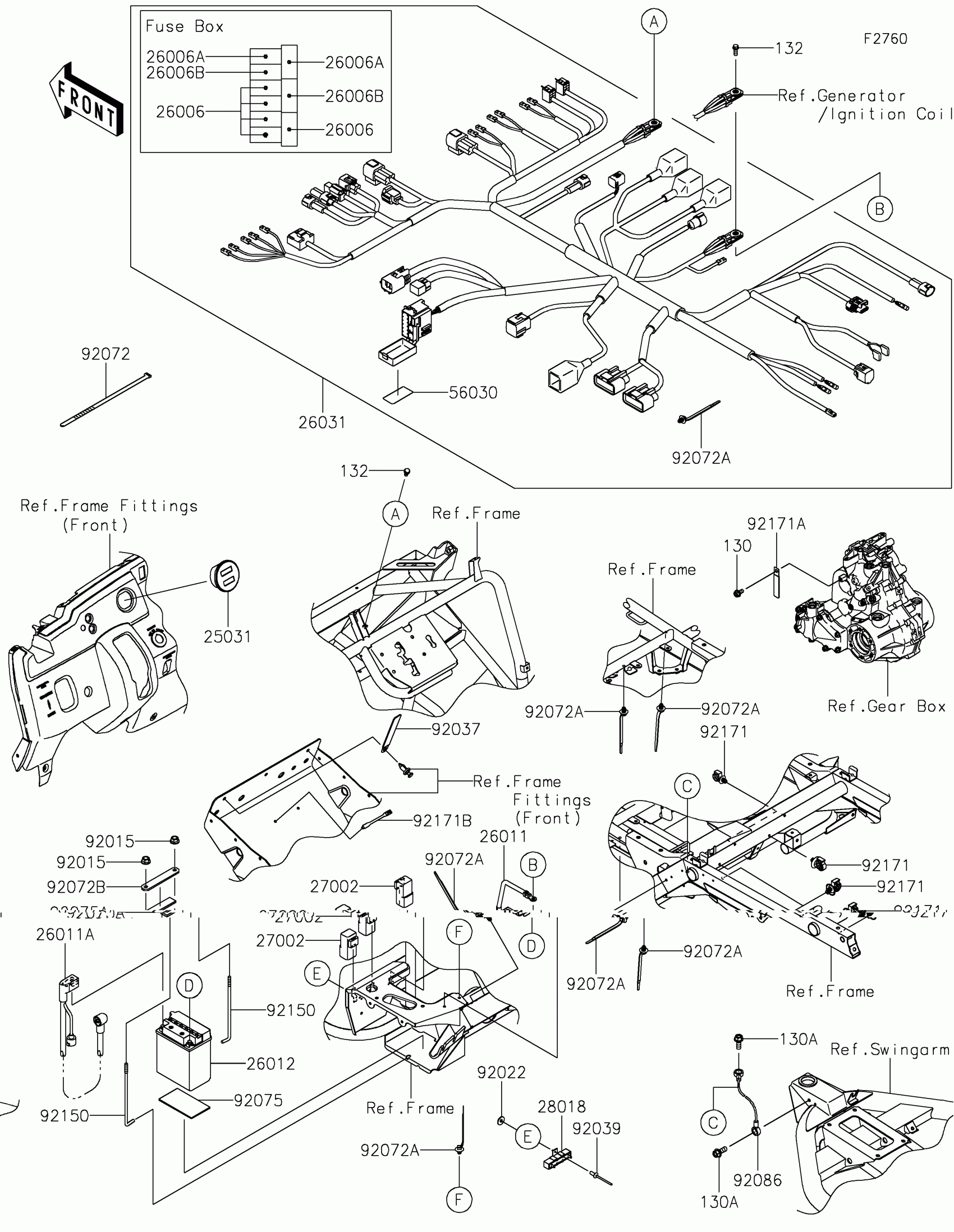
Chassis Electrical Equipment
Kawasaki MULE SX™ 4x4 FI Chassis Electrical Equipment Diagram
#
Description
Price
26006
FUSE,MINI BLADE,10A,RED
26006-0009
Unavailable
