- Partiron
- OEM Parts
- Kawasaki
- side-x-side
- 2023
- MULE SX™ 4x4 FE
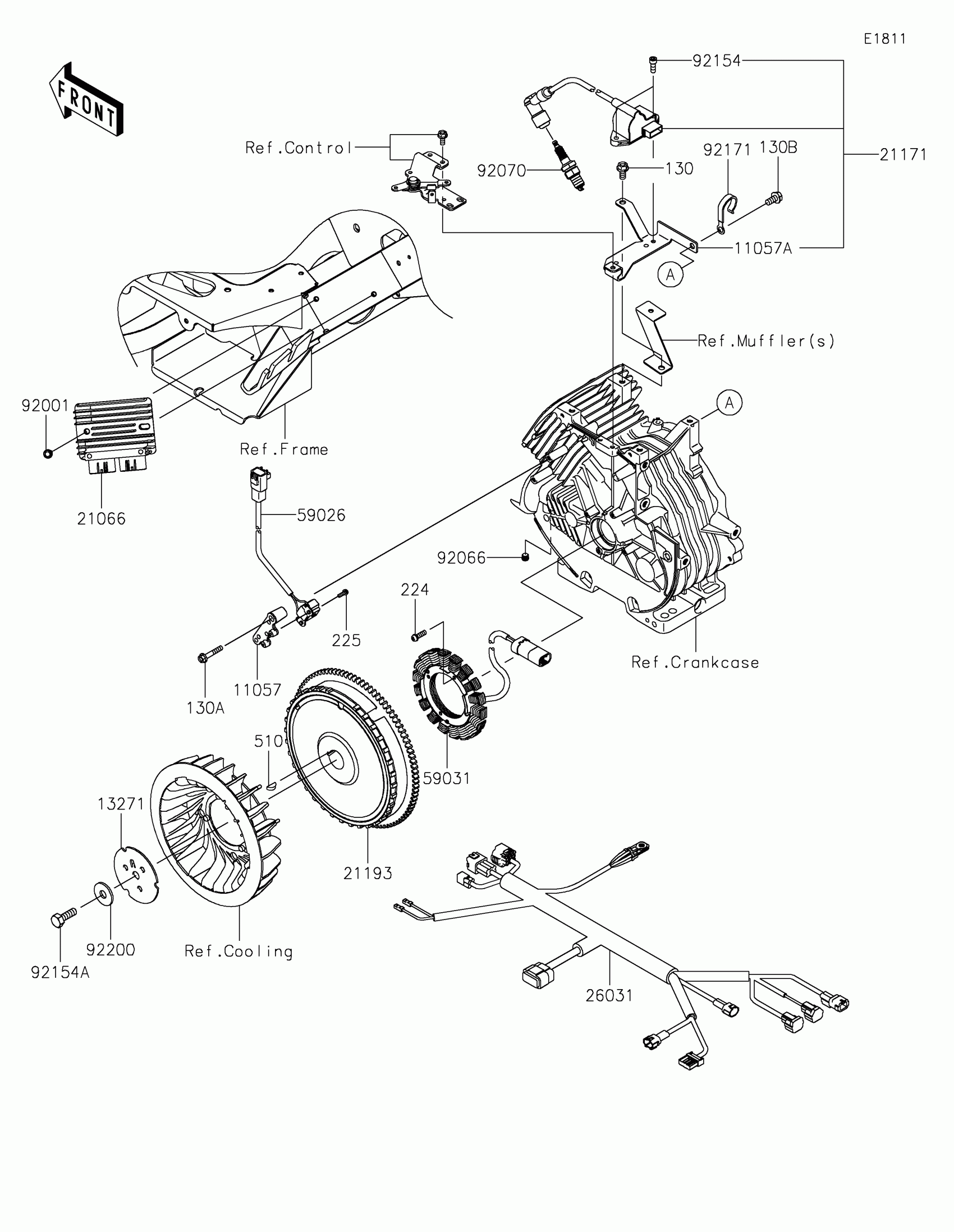
Generator/Ignition Coil
Kawasaki MULE SX™ 4x4 FE Generator/Ignition Coil Diagram
#
Description
Price
Generator/Ignition Coil
#
Edit ride
