- Partiron
- OEM Parts
- Kawasaki
- side-x-side
- 2016
- MULE PRO-FXT™ EPS LE
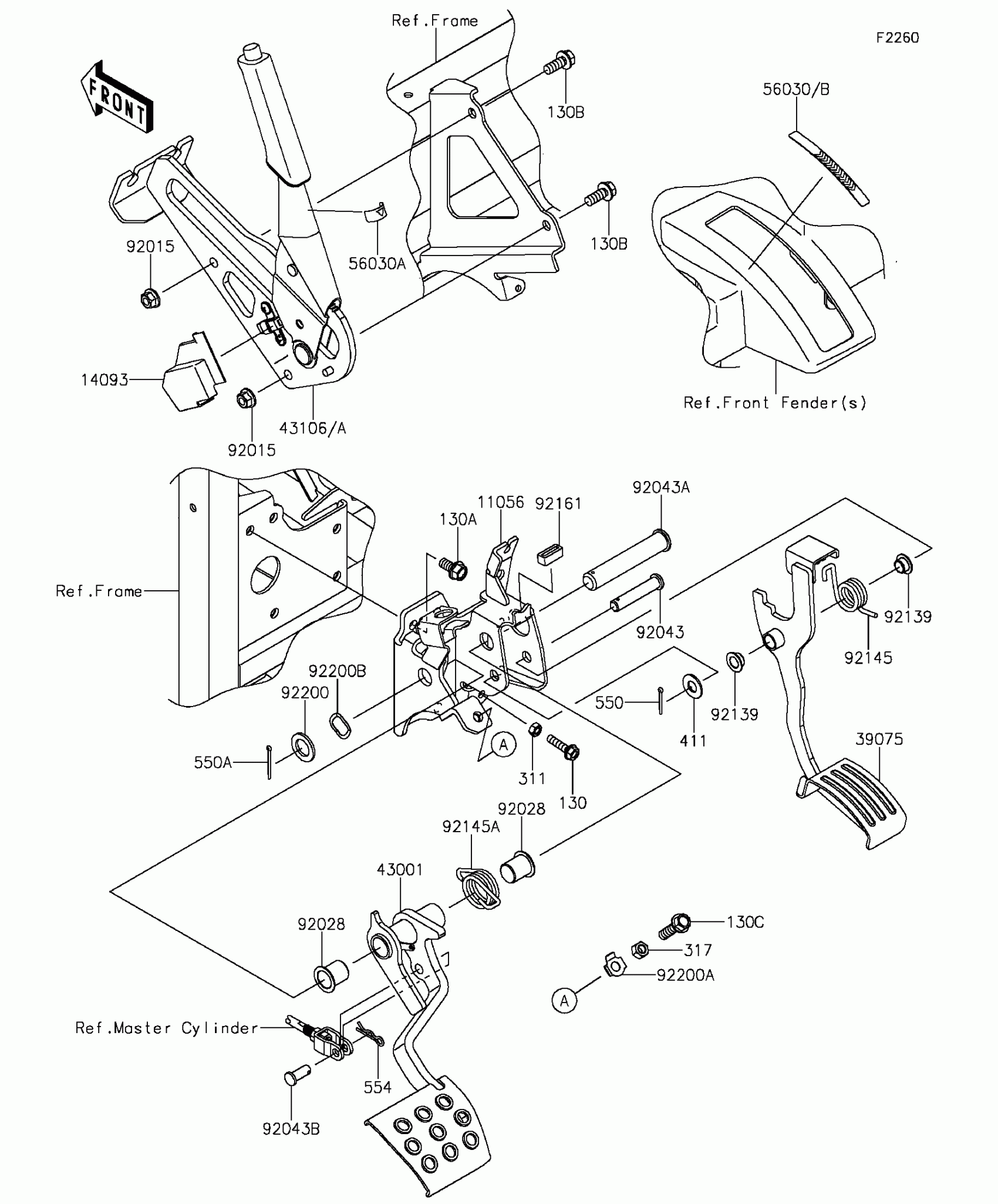
Brake Pedal/Throttle Lever
Kawasaki MULE PRO-FXT™ EPS LE Brake Pedal/Throttle Lever Diagram
#
Description
Price
Brake Pedal/Throttle Lever
#
Edit ride
